文霖华
(中车贵阳车辆有限公司 贵州贵阳 550017)
【摘要】KZW系列空重车传感阀是铁路货车空气制动系统的重要组成部分,其性能的好坏对铁路货车运用有着重要影响。铁路货车运用时多次发生传感阀防尘罩松动脱出导致单车制动状态漏泄问题,本文就该问题进行分析研究,提出相应控制及改进建议。
【关键词】KZW系列空重车传感阀 防尘罩 脱出 分析 建议
一、传感阀漏风故障分析
1.防尘罩脱出卡滞引起空车位传感阀持续排风原因分析
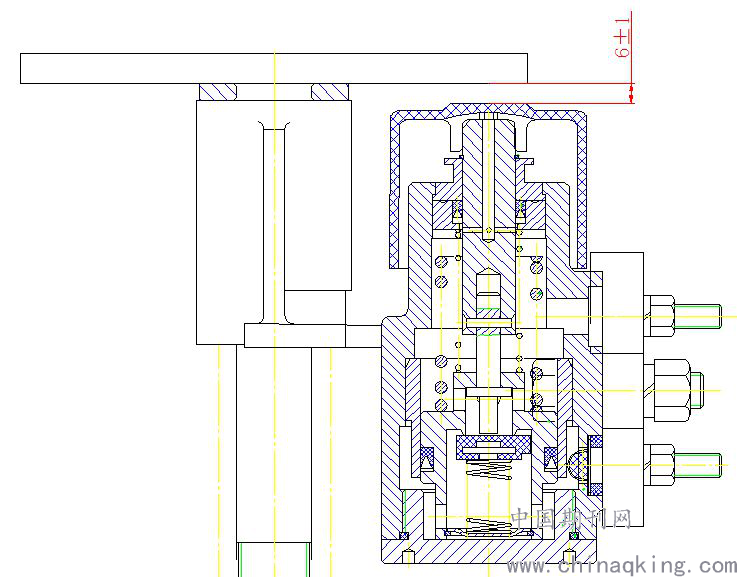
防尘罩组装状态良好时,车辆在正常缓解状态下,传感阀防尘罩顶面与抑制盘圆盘下表面存在6±1mm间隙。空车制动后,传感阀活塞组成向上移动6±1mm,防尘罩顶面与抑制盘圆盘下表面间隙消除,传感阀活塞组成中的触杆上径向小孔位于Y形密封圈处,切断传感阀活塞上腔与大气间的通路,用以保证制动缸压力不由该处漏泄,如图1所示。
.png)
缓解状态
制动状态(降压风缸与制动缸压力未平衡时)
图1
当防尘罩脱出后,与抑制盘圆盘下表面接触且与触杆不同轴,防尘罩即卡滞在触头及抑制盘间,此时原防尘罩顶面与抑制盘圆盘下表面6±1mm间隙消除。空车制动时,因防尘罩卡滞,触杆不能向上移动6±1mm,传感阀上腔通过触杆上的径向孔和轴向中心孔一直与大气连通,进而造成制动缸压力空气持续从触杆处排向大气,引起传感阀漏泄及制动缸自然缓解故障。制动缸空气漏泄通路示意图见图2。
.png)
制动状态(防尘罩卡滞在触头及抑制盘间)
图2
2.查阅图纸分析防尘罩脱出原因
查阅防尘罩、触杆图纸设计尺寸,分析防尘罩与触杆配合关系对防尘罩脱出的影响:
图号TKKZWA-01-00-00-06中防尘罩触杆安装孔尺寸为mm,图号TKKZWA-01-01-01-01中触杆尺寸为mm(如图3所示),由此可知,防尘罩与触杆配合公差带为-0.08~0.05mm,则防尘罩与触杆为过渡配合,则必然存在防尘罩脱出卡滞风险。当防尘罩触杆安装孔尺寸走上限17.80mm,触杆尺寸走下限17.75mm,防尘罩与触杆配合存在间隙,防尘罩必然脱出。当防尘罩触杆安装孔尺寸走下限17.72mm,触杆尺寸走上限17.80mm,防尘罩与触杆配合存在过盈量,过盈量最大为0.08mm,防尘罩脱出风险降低。
图3
二、现场配件传感阀统计分析
1.统计分析方案
1.1收集检修车拆卸下一定数量防尘罩及新品防尘罩,抽取一定数量触杆。
1.2采用游标卡尺检测收集的防尘罩触杆安装孔直径及触杆直径。
1.3选取装用直径为图纸上限17.80mm和图纸下限17.75mm触杆的传感阀,用收集的防尘罩逐个与触杆配合,进行3次全行程拉动试验,检查不同孔径的防尘罩是否脱出,拉动试验不脱出为合格。
1.4记录防尘罩触杆安装孔内径、防尘罩制造厂家、配合试验结果等,进行分析对比。
2.统计分析结果
分别按上述方案统计了20个触杆、10个新品防尘罩、41个检修防尘罩,统计数据见下表:
KZW系列传感阀防尘罩及触杆检测统计表
单位:mm
.png)
3.统计分析结论
3.1 检测厂家代号为ST的新品防尘罩触杆安装孔直径10个,其中最小尺寸为17.32mm,最大尺寸为17.58mm,与图纸标准尺寸相比均小于下限0.14mm~0.40mm。与直径为图纸下限17.75mm及图纸上限17.80mm触杆配合后进行3次拉动试验,无松动及脱出,紧固良好。
3.2 检测检修车拆卸下来的旧防尘罩41个,尺寸符合图纸7件,合格率17.1%。与直径为图纸下限17.75mm的触杆拉动试验合格5件,合格率12.2%;与直径为图纸上限17.80mm的触杆拉动试验合格6件,合格率14.6%。大于上限尺寸17.8mm的31个,与直径为图纸下限17.75mm及图纸上限17.80mm的触杆配合拉动试验均不合格;小于图纸下限尺寸17.72mm的3个,其中2个为17.11mm、17.01mm,无法装配,另外一个为17.70mm,与直径为图纸下限17.75mm的触杆拉动试验不合格,与直径为图纸上限17.80mm的触杆拉动试验合格;在图纸尺寸范围内的7个,与直径为图纸下限17.75mm的触杆拉动试验合格5件,与直径为图纸上限17.8mm的触杆拉动试验合格5件。
3.3 检测过程中发现4件制造厂家代号为LR的防尘罩安装孔处均无筋板,不符合图纸,见图4;8件防尘罩无制造厂家代号,且材质与其他防尘罩明显不同,防尘罩安装孔的4片轴挡无金属镶嵌且无筋板,不符合图纸,见图5;5件制造厂家代号为铁源的防尘罩排风槽较浅,不满足图纸0.5-1mm深度要求,见图6。
.png)
图4(4件LR) 图5(8件无制造厂家代号) 图6(5件铁源)
3.4 检测触杆直径20个,尺寸在公差范围内的为17个,另外3个中超出上限最大值为0.02mm,则触杆直径对防尘罩脱出基本无影响。
综上所述,新品防尘罩触杆安装孔直径与图纸相比均偏小,与直径为图纸下限17.75mm及直径为图纸上限17.80mm的触杆配合状态良好无松动及脱出。旧品防尘罩触杆安装孔直径普遍大于图纸上限尺寸,与直径为图纸上限17.80mm触杆配合状态均松动脱出;各厂家生产的防尘罩形式、尺寸存在较大差异,均存在不符合图纸,还有无生产厂家等情况。检修传感阀触杆直径均大于或等于图纸下限17.75mm,对防尘罩脱出基本无影响。
三、现场传感阀检修控制措施
1.《铁路货车制动装置检修规则》第3.5.1.2.3条c款规定“C-A型传感阀防尘罩破损、老化严重或顶部磨耗深度超过1mm时更换,丢失时补装”。根据该条款,防尘罩检修合格可使用,不需全数更换新品。但根据上述统计结果来看,由于传感阀防尘罩触杆安装孔磨耗扩大,85.4%~87.8%的旧品防尘罩与触杆配合不良,故为了防止防尘罩脱出带来的质量隐患,要求贵阳公司检修KZW系列传感阀时防尘罩全数更换为新品。
2.采用新品防尘罩与传感阀组装时进行选配,防尘罩与传感阀组装后全行程拉动防尘罩3次,防尘罩不脱出为合格,否则更换防尘罩。
3.严格控制新品入厂复验检查,防尘罩形式、尺寸、材质须与图纸相符,将防尘罩触杆安装孔作为入厂复验检查项点,制作专用量具按比例抽检该尺寸。量具为止规,采用触杆图纸设计上限直径尺寸,止规量具示意图见图7。
.png)
图7
4.《铁路货车制动装置检修规则》第3.5.1.2.3条a款规定“触杆18柱面直径小于17.6mm时更换”。但根据实际测量统计结果来看,该尺寸多数都在图纸设计范围内,故检修时该尺寸按图纸设计尺寸控制。
四、改进建议
1.建议将《铁路货车制动装置检修规则》第3.5.1.2.3条a款规定“触杆18柱面直径小于17.6mm时更换”修订为“触杆18柱面直径小于17.75mm时更换”。
2.建议将《铁路货车制动装置检修规则》第3.5.1.2.3条c款规定“C-A型传感阀防尘罩破损、老化严重或顶部磨耗深度超过1mm时更换,丢失时补装”修订为“C-A型传感阀防尘罩不符合图纸设计的、无生产厂家的、防尘罩触杆安装孔直径不符合图纸mm时更换。防尘罩与传感阀组装时进行选配,防尘罩与传感阀组装后全行程拉动防尘罩3次,防尘罩不脱出为合格。”
3.建议防尘罩触杆安装孔直径按mm制造,保证防尘罩与触杆配合为过盈配合,过盈量为0.15~0.3mm。
4.建议重新设计触杆与防尘罩配合结构,从设计源头杜绝该问题。如采用弹簧卡子结构,可将防尘罩4片金属镶嵌挡块改为一整体并在内部加装2个弹簧卡子,排风槽处可开孔进行沟通;触杆相应加工卡子凹槽,示意图见图8。该结构一方面增强了金属镶嵌挡块强度,防止长时间运用后防尘罩孔径变大;另一方面配合效果比过盈配合更加可靠。
.png)
图8