摘要:针对我厂空预器电源长时间存在的问题,分析空预器电源改造的必要性和改造后取得的效果,介绍了空预器电源的配置、性能特点及其各部分的作用和在改造过程中的改进的情况。
关键词:空预器;电源;改造
一.空气预热器的工作原理和应用价值
空气预热器也被简称为空预器,是提高锅炉热交换性能,降低热量损耗的一种预热设备。空气预热器的作用,是将锅炉尾部烟道中排出的烟气中携带的热量,通过散热片传导到进入锅炉前的空气中,将空气预热到一定的温度。经过余热器后的空气进入炉内,加速了燃料的干燥、着火和燃烧过程,保证了锅炉内的稳定燃烧,提高了燃烧效率。由于炉内燃烧得到了改善和强化,加上进入炉内的热风温度提高,炉内平均温度水平也有提高,从而可强化炉内辐射传热。减小炉内损失,降低排烟温度,提高锅炉热效率。
(一)空气预热器的工作原理?
空气预热器在工作时会缓慢的旋转,烟气会进入空预器的烟气侧后再被排出,而烟气中携带的热量会为空预器中的散热片所吸收,之后空预器缓慢旋转,散热片运动到空气侧,再将热量传递给进入锅炉前的空气。?
(二)空气预热器的应用价值?
空气预热器是收集和利用烟气余热的设备。空气预热器的应用能直接降低锅炉排烟的温度,减少系统内的热能损失。同时,空气预热器的散热片能够吸收和传导热能,相当于增加了锅炉的受热面,提高锅炉的热效率。?
二.改造前存在的问题
我厂4*300MW机组始建于2003年,近年来油泵电机或其控制回路故障造成空预器驱动电机异常跳闸现象时常发生,其中最常见的故障有:
某日某时,运行值班人员通知2号炉空预器A侧主电机空开跳闸,并成功切换到辅电机运行,运行人员将备用齿轮油泵就地启动且正常运行,并无事故扩大。经检查发现主齿轮油泵电机绝缘为零,电机线圈被烧坏;对主齿轮油泵电机保护(热继电器)检查发现动作(油泵电机热继电器保护是需要过载电流大与过载时间满足才能有效动作),加上主齿轮油泵电源分别直接取至主电机和辅电机电源空开,并且当前主齿轮油泵电源是由主电机电源供电运行;由此推断油泵电机空开(25A)主电机空开(40A)跳闸是由于油泵电机线圈短路瞬间冲击电流大导致跳闸,最后油泵电机热继电器保护过载时间到才动作,且为正确动作行为。
以上原因造成的空预器停转事故,给我厂安全生产带来了很大的影响,公司有关领导组织生产维护专业技术人员针对油泵电机发生故障时,可能将上级空开跳开造成主、辅电机运行中跳闸的情况做了认真、细致的分析,为保证主、辅电机安全可靠运行,降低油泵电机运行的影响,经研究决定对控制回路和电源在现有设备的基础上进行改造。现将油泵电机电源与主、辅电机电源分开,从0.4kV保安段取两路新电源分别作为主齿轮油泵电机与备用油泵电机新电源;油泵电机控制回路和主、辅电机控制回路分开。
(一)改造前图纸如下:
如图(1)所示:两台齿轮油泵电机电源和和空预器主辅电机共用两路电源,当齿轮油泵发生故障时,会影响到主辅电机的运行。图(1)
如图(2)所示:油泵电机和主辅电机控制控制回路是混在一起,当控制回路发生故障时,主辅电机控制回路也不能正常工作,如何不能及时消除缺陷,造成空预器停运事故。
.png)
图(2)
三.改造情况及改造后效果
针对空预器存在的问题,该厂充分考虑改造后的各种事故预想,合理修改图纸,把相关改造方案做到最优方式。改造方案分为电源改造和控制回路改造两部分。
(一)电源改造部分
将原油泵电机电源主、辅电机电源分开,如图(3)所示:油泵电机单独用两路电源,主辅电机单独用两路电源,提高电源可靠性。当一路油泵电机发生故障时,转换到备用油泵电机运行,不会造成越级跳主辅电机空开的情况。
.png)
图(3)
(二)控制回路改造
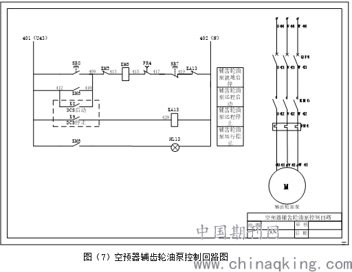
将油泵电机控制回路和主辅电机回路分开,如图(4)、图(6)、图(7)所示,主油泵控制回路电源取自主油泵电机电源,辅油泵亦然,在机组正常运行状况下,油泵电机回路与空预器驱动电机回路完全隔离。若主油泵电机或者回路发生故障时,只需将主油泵停运并拉开,主油泵电源回路及电机的维护工作的人身及设备安全都得到很大的提高。若在机组正常运行中,油泵回路的某个继电器发生故障需对其进行处理时,也不会引起空预器驱动电机的安全、稳定运行。
.png)
.png)
.png)
.png)
四.结束语
改造前,由于我厂空预器二次回路设计的不合理,油泵电机或控制回路故障现象频发;油泵电机回路电源改造后,我厂300MW机组不再因电源问题而发生空预器停转事故,从而提高了空预器安全、经济、可靠的运行。通过这一年对机组的运行观察看,我厂对我厂空预器电源及控制回路更改方案是正确的,对于火电厂空预器辅助设备易发生故障的,建议采用独立的电源和控制回路,因此对其它电厂空预器电源供电方式及控制回路优化有一定的借鉴作用。