谭红波 胡小燕
中国电建集团重庆工程有限公司
[摘 要]近年来随着建筑业的蓬勃发展,层高较高、跨度较大的高大型建筑在商业建筑、工业建筑中屡见不鲜,这给模板工程在支撑、搭设施工方面带来一定的困难。 施工过程中危险因素增多,曾经发生多起高架支模坍塌事故,造成人员伤亡、国家财产损失严重。因此,如何使高大模板支撑系统安全、行之有效是摆在所有本领域技术人员面前的一个难题。本文通过南部生活垃圾发电项目垃圾仓25.45米层高大模板支撑系统的分析,提出了钢牛腿-H型钢、脚手架支撑施工工艺,解决了垃圾仓25.45米层超高超限大跨度梁的支撑问题,取得了较好的效果,值得在高支模、超限梁施工中施工推广。
关键词:钢牛腿-H型钢脚手架支撑 高大模板 钢牛腿 超高超限 安全
1、工程概况
南部县生活垃圾焚烧发电项目位于南充市南部县肖家乡匹驴村(原垃圾填埋场旁),场地呈"M"型,该工程规划建设净用地面积79997.65平方米,约120.0亩。建成后主要对南部、阆中和西充的生活垃圾进行无害化处理。
1号主厂房位于厂区北侧,为现浇钢筋混凝土框架剪力墙结构,抗震设防烈度为6度,框架抗震等级为三级。结构0米高程为355.7米,混凝土结构顶标高为41.85m,垃圾池底板及侧壁混凝土等级为C40。由于主厂房7轴线~8轴线、Q轴线~S轴线区域邻近二期预留场地,主厂房25.45米层有KL11,混凝土强度等级为C30,KL11尺寸为600*1100mm,跨度为11.2米,梁正下方无梁、板等混凝土结构构件。更有两根次梁L31(截面尺寸600*1000mm)一端伸入KL11锚固。L24(截面尺寸400*800mm)与KL11相邻。如下图所示:
.png)
2、 高大模板支撑系统的定义
经计算,KL11集中线荷载为24.792kN/m>20kN/m,属于高大模板支撑系统,需要组织专家论证。那么,什么是高大模板支撑系统呢?
高大模板支撑系统在我国“建办质〔2018〕31号文”中有明确规定,高大模板支撑系统是指建设工程施工现场混凝土构件模板支撑高度超过8m,或搭设跨度超过18m,或施工总荷载大于15kN/㎡,或集中线荷载大于20kN/m的模板支撑系统。根据“住建部【2018】37号文《危险性较大的分部分项工程安全管理规定》”第三章第十二条规定:对于超过一定规模的危大工程,施工单位应当组织召开专家论证会对专项施工方案进行论证。实行施工总承包的,由施工总承包单位组织召开专家论证会。专家论证前专项施工方案应当通过施工单位审核和总监理工程师审查。专家论证会后,应当形成论证报告,对专项施工方案提出通过、修改后通过或者不通过的一致意见。专家对论证报告负责并签字确认。论证通过,经监理、业主审批后方可进行实施。
3、 传统超限梁支撑工艺
“如何完成跨度11.2米,重量高达21吨的混凝土梁在25.45的高空中的模板支撑及浇筑?”是摆在所有本项目技术人员面前的一个难题。对于超高、超重梁模板支撑系统常规支承方式主要有以下两种:
3.1落地式模板支架:
主要有以下三种形式
1、碗扣式钢管模板支架,其优点是搭设方便,受人为影响小,传力明确,立杆所受的荷载为典型的轴心受力。
缺点是:扣式脚手架构件规格有限,其横杆的尺寸固定有几种规格,立杆上碗扣的节点是按照0.6m的间距进行设置的,使结构的尺寸受到了一定的限制。同时,构件中的U形连接鞘容易丢失。构件钢管采用普通钢管,容易锈蚀,整个脚手架体系美观度较差。由于脚手架采用多种扣件进行连接,架体及扣件消耗量大、工期长,在施工过程中,很容易出现材料随意堆放的情况,影响到现场的文明施工,还会引发安全事故。
2、扣件式钢管模板支架,优点为:在建筑施工过程中承载力较大,不会发生使用中模板位移等情况。装拆方便,搭设灵活,比较经济节省。
缺点:这种扣件体积小特别容易丢失。在节点处的杆件又是偏心连接,靠抗滑能力传递荷载和内力,因而降低了其承载能力。扣件节点的连接质量受扣件本身质量以及工人操作的影响显著。由于对立杆,特别是纵横向扫地杆和纵横向水平拉杆长度的要求,使得杆件重量大,人工搬动非常耗费体力,劳动强度大。尤其在超高、超大跨悬空混凝土结构施工中,由于需要较密集的布置架体立杆,以及增加大量的加稳附着,费用投入和工期影响还要增加,安全风险大大增加。
3、承插型盘扣式钢管支架
盘扣式脚手架构造简单,拆装简便、快速,施工效率高,能大幅度减少人工投入,可以适应多种环境。同时其接头具有可靠的双向自锁功能,搭设质量容易控制,安全性较高。盘扣式脚手架构件均为标准构件,施工全过程都能打包整理堆放,能更好地维持现场的安全文明施工。且盘扣式脚手架体系施工工艺简便,对施工作业人员的专业素养要求较低。
缺点:相对于钢管扣件脚手架来说,固定的产品型号与尺寸,搭设随意性小。立杆采用Q345B合金材质,表面经热镀锌处理,所以盘扣式脚手架产品生产成本较高。盘扣式脚手架配件五花八门,导致产品通用性低。
3.2悬空式模板支架:主要有以下三种形式
1、钢结构桁架、三脚架模板支架,采用普通槽钢、角钢等型钢加工制作桁架或三角架,受力明确、传力清晰、安拆方便,但其一次投入量大,拆除后周转可能性小,其设计计算的基本要求应参考《钢结构设计规范》GB50017-2003。
2、依附于结构主体的斜拉索吊模支撑系统,先完成上部柱子施工,在梁两端柱子上方完成浇筑前,装预埋件、吊环在柱子上,在联系梁底部铺设钢梁,采用定型模板,钢梁上焊接双钢板穿钢棒作为下吊环,上、下吊环釆用钢丝绳斜拉形成主、次梁整个模板支撑系统,它是利用了主体结构能卸载传力的特点,较省材省力,其缺点是埋设难度大,高空作业多,存在较大安全隐患。其搭设与计算目前无相应的安全技术规范。
3、增设临时钢筋砼梁悬空主梁支撑体系,缺点是:增加的临时钢筋砼梁支撑体系搭设困难。需对结构重新设计布置,增加结构荷载,对建筑结构稳定极为不利。不易拆除,拆除时施工风险巨大。
4、 钢牛腿-H型钢脚手架支撑系统施工工艺
经过多方分析讨论,本工程最终采取钢牛腿-H型钢脚手架支撑工艺。主要方法是通过计算,在16.39米层梁、柱子上预埋4块埋件M-4,预埋件M-4规格尺寸如下图所示:
然后采用HN600x200*11*17型钢对接焊接在M-4之上,HN600x200型钢上方焊接I16工字钢,工字钢上搭设支撑脚手架,脚手架搭设如下图所示:
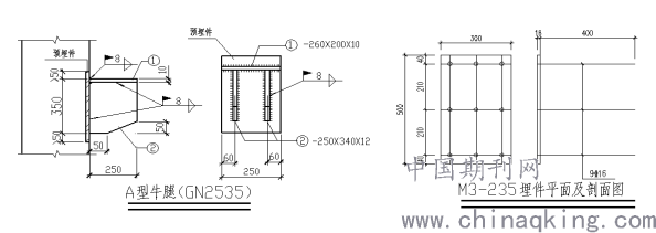
为保障架体安全性及稳定性同时方便支承系统拆除,根据冗余安全管理原则,H型钢安装前在其下方焊接钢牛腿(根据受力计算,查找西南电力设计院TD-JZ2003-5001(1)图集,选用GN2535钢牛腿)。钢牛腿与16.39米层预埋件M3-225满焊对接焊接相连,预埋件通过查找《16g362钢筋混凝土结构预埋件图集》,选用M3-225预埋件。预埋件、钢牛腿型号规格如下图所示
.png)
钢牛腿具有计算简便、截面小、承载力高等优点,同时较之钢筋混凝土牛腿更容易应用于改造工程中。钢牛腿在此次支承系统上的应用使得施工更为简单、理论计算更加可靠,从而真正达到“四两拨千斤”的作用。本次采用的是“π 形截面”的钢牛腿。
将HN600x200*11*17型钢通过现场安装塔吊TC7030吊装至16.35米层钢牛腿上放置,然后将其对接满焊在埋件M-4之上。通过放线,将I16工字钢按方案间距要求置于H型钢之上,然后点焊固定。完成此步骤后将冲压钢脚手板满铺在H型钢之上,并绑扎牢靠(有工字钢的位置除外)。完成支承钢平台后,按照方案要求搭设上部脚手架支撑系统。
脚手架搭设前,需先进行排版放线,合格后进入下一道工序施工。模板均采用915mm×1830mm×15mm(厚)胶合板.木枋统一采用60×80mm木枋,支撑系统、纵横水平拉杆、纵横向剪刀撑均选用Φ48×3.0(计算壁厚取2.7mm)钢管及其配件。
600*1100梁底模板支撑及构造立杆步距为1.50,梁底设置5根支撑小梁,梁底支撑小楞平行梁跨方向。梁两侧立杆间距为1.0m,梁底增加2根承重立杆,立杆间距为0.5m,立杆承重连接采用可调托座,脚手架的剪刀撑、连墙件及构造要求应符合相应规范要求。梁支撑架搭设高度变为9.35m,大大降低了支模架搭设高度。
支模架体搭设前,项目部完成了专项施工方案编制报审,组织了专家论证,审核通过实施。同时完成了相关原材料检测、方案交底等准备工作,支模架体搭设完成后组织了相关人员进行验收,验收合格后方可进入下一道工序施工。
? ??5、钢牛腿-H型钢脚手架支撑系统施工要点
钢牛腿-H型钢脚手架支撑系统施工应注意以下几点:
1、焊工、架子工等特种作业人员应持证上岗,必须经考试合格并取得合格证书,且在其考试合格项目及其认可范围内作业。
2、钢结构焊接工程用钢材及焊接材料应符合方案设计的要求,并应具有钢厂和焊接材料厂出具的产品质量证明书或检验报告,其化学成分、力学性能和其他质量要求应符合国家现行有关标准的规定。预埋件预埋位置,焊接材料、焊缝长度应严格遵循方案执行。对方案要求的全焊透的二级焊缝应采用超声波探伤进行内部缺陷的检验,超声波探伤不能对缺陷作岀判断时,应采用射线探伤,其内部缺陷分级及探伤方法应符合现行国家标准。二级焊缝不得有表面气孔、夹渣、弧坑裂纹、电弧擦伤等缺陷。
3、牛腿加工按照设计尺寸在加工场加工完毕后在现场与锚板焊接连接,焊接前在锚板上测绘出中心线及控制线,要求中心线在同一标高位置,误差±5mm,焊接焊缝饱满均匀,焊缝的链接形式为贴角焊缝,焊缝高度不小于20mm。
4、钢梁的安装必须在承力主体结构强度达到25MPa以上才能进行,安装时作业半径内暂停其他工种作业施工,并设置禁行警示标志,同时安排专人负责。吊装作业应符合相应规范要求。
5、上部脚手架搭设、材料、安全网应符合相应规范及方案规定。
6、安装完成后对钢梁平台水平度进行抄测,并做好记录。利用水准仪对工字钢挠度全过程监测。将每根工字钢梁进行编号,在每根钢梁设置三个监测点,使用水准仪测定每根钢梁的标高做好记录,完成钢筋、模板安装后对钢梁进行一次标高复测,砼浇筑过程中,每隔20分钟监测一次。
7、精心设计混凝土浇筑方案,确保模板支 架施工过程中均衡受载,采用由中部向两边扩展的浇筑方式,严格控制实际施工荷载不超过设计荷载,对出现的超过最大荷载要有相应的控制措施,钢筋等材料不能在支架上方堆放。浇筑过程中,派人检查支架和支承情况,发现下沉和变形情况及时解决。
8、拆除时主要考虑钢梁的起卸,起吊过程中不破坏建筑结构,不发生安全事故。钢梁平台拆除具备的必要条件是悬空混凝土结构同条件砼试块抗压强度达到设计强度的100%(跨度大于8m),混凝土结构强度达到要求后拆除模板及脚手架。
9、拆除钢梁承载平台上脚手架体、工字钢,清理归拢钢梁上溅落的混凝土残留块,注意不能直接抛落,以防高空坠物发生安全事故,然后按照拆除先后顺序将钢梁与M-4切开,然后切割吊牛腿上固定焊点,必须起钩拆卸该根钢梁时执行该步骤,以防钢梁失稳坠落。吊钩起钩后先上升500mm高,水平方向移动避开牛腿,然后将吊钩垂直下落,卸至地面。
10、钢梁拆卸后利用相邻满堂脚手架将牛腿割除,割除后外露的锚板用防锈漆均匀涂刷三遍处理,以防腐蚀。
11、钢梁拆除作业人员必须听从指挥长指挥,作业前进行全面的安全技术交底,作业时佩戴安全帽、系好安全绳、穿防滑鞋,正确按照交底执行每道工序,施工现场做好安全警示标志,无关人员不得进入现场。
6、结束语
与传统模板支设工艺相比,“钢牛腿-H型钢、脚手架支撑系统”优势巨大。
1、成本低、节约材料,节约了大量钢管脚手架租赁费用。仅此次搭设节约了脚手架管租赁2500米。比满堂脚手架支设节约成本 30% ~ 50% 左右。H型钢可以采用其他在建项目原材料,(本次支设采用的烟气净化间H型钢),可以重复利用,吊装可以采用现有设备(7030B安装塔吊)。节约成本,经济效益高。
2、安全系数高,降低了整体支模架体搭设高度,避免了整体倾覆风险。降低了立杆因长度太长引起的结构失稳风险。搭设间距相对较大,操作更为方便。型钢上部铺满冲压钢脚手板,降低了架子工搭设架体时高空作业风险。
3、适用范围广,不受高度限制,可以在高空进行操作,局限性小。对地基承载力及地质情况无要求,可以在高空进行操作,局限性小。可用于超厚结构及其他异性结构的支撑和设计。
4、承载力更强:可以用于跨度更大的结构的支承 ,从而使支模布置更加灵活。易于结构连接和安装,还易于拆除和再用。H型钢同工字钢相比,截面模数大,在承载条件相同时,可节约金属10-15%。钢牛腿、H型钢便于机械加工。与混凝土结构自重相比轻,结构自重的降低,施工简便,便于拆除,造价降低。
5、工程施工速度快,占地面积小,且适合于全天候施工,受气候条件影响小。用热轧H型钢制作的钢结构的施工速度约为混凝土结构施工速度的2-3倍。
6、结构稳定性高,以热轧H型钢为主的钢结构,其结构科学合理,塑性和柔韧性好,结构稳定性高,适用于承受振动和冲击载荷大的建筑结构,抗自然灾害能力强,特别适用于一些多地震发生带的建筑结构。据统计,在世界上发生7级以上毁灭性大地震灾害中,以H型钢为主的钢结构建筑受害程度最小。
7、环保:采用钢牛腿-H型钢可以有效保护环境,具体表现在两个方面:一是和增设混凝土梁相比,可采用干式施工,产生的噪音小,粉尘少;二是支承结构拆除后,产生的固体垃圾量小,废钢资源回收价值高。
通过精心组织和施工,严格质量管控,超高、超限梁KL11的模板与支撑系统经受住施工检验,顺利完成浇筑,保证了大跨超高超重钢筋混凝土梁的施工质量,现已完成支模架体拆除工作。
综上所述,钢牛腿-H型钢脚手架支撑系统化繁为简地解决了超高、超限梁混凝土结构施工支撑系统的问题,具有节省成本、安全环保、缩减工期等特点,同时该技术对被支撑的混凝土结构的平整度、观感的施工质量得以保证,适宜推广采用。通过对其施工工艺及要点总结分析,该支承系统的成功应用为今后同类工程的施工提供了新的思路,为今后超高、超限、大跨度结构或其他异形构件的施工提供系统的方法和成熟的经验。
参考文献:
[1]施设、王立军、余海群等 《钢结构设计标准》(GB 50017-2017)中国建筑工业出版社
[2]刘富勤,王绪民,胡坤生.超高大跨度结构混凝土梁支撑 系统设计与施工[J].建筑技术,2007
[3]《建筑施工模板安全技术规范》(JGJ 162-2008). 中国建筑工业出版社,2008.12
[4]刘群,杨晓东,徐崇宝等..建筑施工扣件式钢管脚手架安全技术规范.中国建筑工业出版社,2011.01
[5]王永祥,苏同,周艳平;大跨度、高悬空、大截面混凝土井字梁模板支撑体系设计;工程建设与管理;2014.4
[6]厉明山,王斌,蒋开先;高空大悬挑混凝土结构模板支撑体系设计;施工技术;2012年348期
[7]姜忠国,刘智敏,沈捷等;钢筋混凝土结构预埋件;中国计划出版社;2016.8
[8]吴涛,景万,葛兴杰等;建筑施工脚手架安全技术统一标准;中国建筑工业出版社;2016.12
[9]建筑施工手册.编委会;建筑施工手册4版[M].北京:中国建筑工业出版社,2003