张驰
舟山市特种设备检测研究院 浙江 316021
摘要:电梯在运行过程中,轿厢侧面和轿厢对面的钢丝绳以及轿厢下面的配套电缆的长度会不断变化。如33层的运行高度(约100米)的电梯,使用6 13毫米钢丝绳,钢丝绳的重量大约是400公斤,电梯操作将是动态的钢丝绳的重量分布两侧的牵引轮,使牵引轮两侧的钢丝绳张力不断变化。为了减小电梯运行中钢丝绳及伴生电缆长度变化引起的牵引轮两侧张力差,提高牵引质量,通常采用补偿装置平衡张力差。由于各电梯牵引条件各不相同,不能以固定值作为临界提升高度进行补偿装置的设置,而是根据工程安装的实际经验,通常提升高度大于30米,钢丝绳的重量随提升高度的增加对牵引力平衡系统的影响较大,所以当提升高度大于30 m时,应安装举升补偿装置。
关键词:电梯;补偿装置;设置要求
1 常见的补偿装置分类:
1.1 补偿链
图1是最原始的补偿装置,常用于速度小于1.75m/s的电梯。其结构是在链条上通过麻绳或聚乙烯层护套,这种补偿链条在使用过程中因碰撞而产生的摩擦,磨损更快,噪音和抖动,骑行舒适性一般,但优点是结构简单,成本低。
.png)
图1补偿链
1.2补偿缆
为了减少噪声的操作绳补偿链,同时减缓腐蚀环境的连锁,所以绳子补偿链的基础上已得到改进,形成链,中间填充材料是金属颗粒的混合物和PVC、链套是一种防火、抗氧化的PVC护套。补偿运行噪音小,运行稳定更美观,适用于各种中、高速电梯,缺点是成本高。
1.3 补偿绳
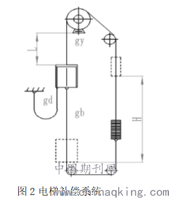
补偿绳的主体实际上是超高速电梯补偿装置中经常使用的钢丝绳。通常配备防跳和张紧装置。2根据补偿重量的计算选择合适的补偿装置图2为电梯曳引补偿系统的示意图:
.png)
图2电梯补偿系统
假设:轿厢侧的钢丝绳张力为P1对重侧的钢丝绳张力为P2
曳引绳的单位长度重量为gy
随行电缆的单位长度质量为gd
补偿缆的单位长度重量为gb
电梯的总行程为H
轿厢上端钢丝绳总长度为L
1)不考虑轿厢自重和负载时,其张力为:
由于随行电缆长度变化对张力的影响很小,这里做了忽略不计。
2)不考虑对重自重时,其张力为
3)两侧张力差为:
4)当轿厢在最高层站时(L=0),两侧张力差
5)当轿厢在中间位置时(L=1/2H),两侧张力差:
6)当轿厢在最底层站时(L=H),两侧张力差:
从上式中可以看出,轿厢在中间位置时两侧张力差与补偿重量无关,仅与随行电缆重量有关。为了使轿厢在顶层和底层时的曳引力差达到平衡,则应满足:
得出:
即得出补偿装置的单位长度质量,就可以选择对应的补偿装置。当把补偿装置单位长度重量的公式代入轿厢在最高层和最底层张力差的关系中时,得到两种工况曳引轮两侧
张力均为
因此可对曳引平衡进行修正,使对重重量为:
2 检验中常见的补偿装置问题及解决方法
2.1 补偿装置端部固定不可靠,在日常检验中,经常会发现补偿链端部缺少二次保护装置,或者二次保护装置起不到二次保护的作用,形同虚设。检验过程中,应检查补偿链端部连接是否可靠,当端部断裂或脱落时,二次保护是否能起到作用,以便发现问题及时更换。
2.2 补偿链(缆)出现螺旋、缠绕,运行中异响严重,与对重护栏有碰撞。一般多发生于新安装、更换补偿装置后不久,安装前未消除螺旋、缠绕力。
去除螺旋、缠绕的方法:在轿底挂好补偿链后,检修慢行至最高层,量取合适长度的补偿链后进行裁断,将补偿链拖在地上的部分卷起扎好,使它离地1米,静态悬挂24小时,待放清缠绕、螺旋后挂上对重端。电梯运行几天后,再检查一遍是否还有螺旋、缠绕,如仍有则再重复一遍上述过程。
2.3 电梯运行过程中,补偿链前后晃动,与对重护栏和井道壁出现碰撞摩擦,严重影响电梯运行的舒适度和平稳性。在检验过程中我们经常发现,很多厂家采用底坑导向装置,能很好的解决此问题。通过在底坑安装导向轮,当补偿链晃动大时,有效的约束了补偿链的大幅摆动现象。
2.4 补偿链偏载导致对重导靴单侧磨损加快。检验中我们经常发现有的电梯,对重下只悬挂了一根补偿链,且是一侧单边悬挂。这种方式原则上也没有大问题,但在使用过程中,经常会发现单侧悬挂补偿装置的对重框架,呈向悬挂侧发生旋转的趋势,导致对角线的两个对重导靴磨损剧烈,如果维保人员未及时调整导靴间隙,长时间运行会导致对重框架晃动,两侧导靴间隙叠加,极有可能引起对重框架脱离对重导轨的危险。
单侧悬挂补偿链,虽简化了程序,节约了成本,但要求维保人员日常维保中必须要重点关注导靴磨损情况,及时调整导靴间隙或更换导靴。对于有条件的使用单位,尽量采用两侧悬挂,以达到两侧平衡,保持电梯运行更加平顺。
2.5 补偿链过分伸长(图3),补偿链过分伸长时,及时的对伸长部分进行裁剪,造成这种原因可能是安装时对补偿链长度计算出现偏差,也有可能是电梯运行时间久了后,钢丝绳随外部环境影响有拉长的变化,导致下端的补偿链过分伸长。
.png)
图3补偿链过长
结束语
本文对补偿装置常见问题及补偿装置的设定要求进行了探讨,为今后发现相关问题和解决问题提供了更好的理论参考。
参考文献
[1]GB7588-2003电梯制造与安装安全规范[S].
[2]吴钟超,陆莫庆.电梯补偿链常见问题分析及其改进方法[J].河北:中国电梯,2018,52-54.