彭固生
中国水利水电第十一工程局有限公司 河南郑州 450000
摘要:PCCP管主要用于供水工程、排水工程,在世界各地得到广泛认可和应用。我国于1987~1988年引进PCCP生产技术,1995年以后逐步推广。PCCP在我国广泛应用于长间隔输水干线、城市供水工程、尤其在水利工程引水工程中广泛应用。引江济淮(河南段)PCCP管道总长121km,位于河南商丘和周口两个地市,PCCP管道布置区域均为高地下水位区,地质条件为建基面以上边坡以粉细砂层为主,本文结合工程工程实际总结了高地下水位条件下PCCP管道安装施工技术。
关键词:PCCP;高地下水位;粉细砂层;安装技术
1工程概况
河南省引江济淮工程直接供水范围是2市2直管县,分别为周口市的郸城、淮阳、太康3个县,商丘市的柘城、夏邑、商丘市梁园区和睢阳区2县2区,以及永城和鹿邑2个直管县,总面积1.21万Km2。引江济淮工程河南段的主要任务:以城乡供水为主,兼顾改善水生态环境。引江济淮工程等别为I等,工程规模为大(1)。引江济淮工程河南段属于引江济淮工程江水北送段,是引江济淮工程的一部分,工程等级亦为I等,引江济淮六标段承建七里桥调蓄水库~夏邑输水线路,该段管线设计流量为13.80m3/s,单管输水,采用直径3200mm的PCCP管,输水线路长61.62Km。
本段输水管线管道沿线基槽开挖深度6~7m,穿冲沟处理埋深相对较深,管底埋深一般8~10m,但地下水埋深较浅,一般1.0~2.5m,高于管底线7~10m,施工区36.62Km全线需进行降排水。建基面主要位于第⑥层重粉质壤土中,局部位于第③层粉砂、砂壤土、边坡土层主要为粉细砂层、砂壤土、轻粉质壤土、且砂土交错,结构疏松,易产生流土、流砂,存在较严重的边坡稳定问题。
2设计技术要求
据设计图纸管沟开挖坡比,边坡为粉细砂层地段设计坡比为1:2,PCCP管道底部120度范围内回填中粗砂,其余地段回填土,顶部回填腐殖土。穿越河流,转弯段等设置刚配件管。
.png)
图1标准管线开挖典型断面(砂土)
管道顶部覆土厚度5~8m,PCCP管道型号结合管道设计内压力及管顶覆土厚度确定。PCCP管道管径3.2m,标准单节长5m,重量47t~52t,管沟较宽,管道接头采用双胶圈接头,PCCP接头内外缝采用密封胶填充,PCCP钢制管件Q345C D3260,t=30mm。PCCP管道工作压力为0.4MPa。
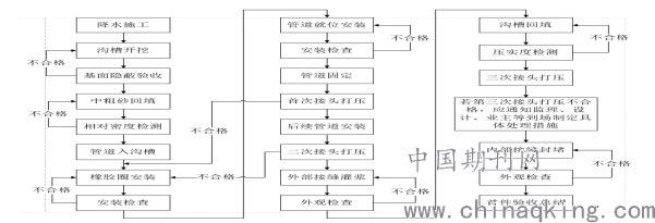
3施工工艺
.png)
4降水施工
降水成功与否直接决定粉细砂层边坡开挖质量和边坡稳定,为此,选择地质条件不同的两个段落进行了降水试验,一个试验段选择开挖范围内粉细砂和壤土交错布置的地段,另外一试验段选择,经过试验总结出开挖范围内地质条件均为粉细砂层的段落采用单排管井间距25m,井深度20m可以满足干地施工条件,且确保开挖边坡质量;对于开挖范围内粉细砂和壤土交错布置的地段需在管井降水基础上开口线两侧各增加1排轻型井点管辅助抽水。
管线施工(包含阀井)降水采用单侧管井降水方式进行降排水,管井间距25m,井深度20m,施工中根据地质情况进行局部调整。
本工程深基坑降水井布置如下:
(1)沿线降水井按25m的间距进行布井;
(2)距离管道开挖边线水平距离-1.5m进行布置;
(3)降水井深度按20m进行打井作业;
(4)沿线降水井采用5.5Km潜水泵抽排地下水;
降井水井施工采用反循环钻机成孔,孔径一般为孔径500~600mm,泥浆护壁,孔口设置护筒,以防孔口塌方,并在一侧设排泥沟、泥浆池。成孔后立即清孔,并安装井管。井管下入后,井管的滤管部分放置在含水层的适当范围,并在井管与孔壁间填充粗砂滤料。
井口间距及井深根据基坑开挖深度、地下水位高程及地质情况通过降水试验确定,管井采用外径40cm无砂混凝土井管,混凝土井管管接头滤网膜包裹后捆扎。无砂混凝土井管,采用反循环钻机自带电机安装。
.png)
降水井结构图
4.1井管选择及安装
为保证施工质量,防止塌孔,井孔施工完成后,及时进行下一步工序,井管安装。
井管选用外径φ400mm,内径φ300mm无砂混凝土管,透水率≥30%。井管的安装:采用起重设备分节安装,安装前第一节井管底部用混凝土塞封底,下沉井管时用对中器定出井孔中心,确保井管居中,实管段管节拼装缝隙使用无纺布包裹,防止缝隙漏砂,滤管段使用细纱布缠绕包裹,防止滤管孔隙堵塞。井管安放到设计位置后固定,进行填砾及管外封闭,井管顶口应高出地面0.3m。
4.2填砾及管外封闭
井管安装完成后及时进行填砾,滤料规格为1~5mm,成分为粗砂及细砾,磨圆度要好,不均匀系数应小于2。
滤料填充应冲洗干净,分批均匀填入,每次填 入高度不宜大于0.8m,填砾的最终高度应高出过滤器工作部分顶端0.5~1m。
井口地面以下2m采用风干黏土球(直径3~5cm)止水。
4.3洗井
下管填砾后,及时进行洗井,采用间断抽水或活塞洗井法,直至水清、砂净,可能持续时间2~4小时,直至含砂量小于1/10万(重量比),并及时观测静止水位。
4.4降水
基坑开挖前,提前6-8天进行降水,将地下水降至建基面以下0.5m,降水过程中注意地下水位观测。在基坑开挖过程中,可以根据水位观测情况及天气情况适当调整降水井数。降水期间,必须每天24小时不间断,停止降水时间定为每个施工段的基坑回填完成,并在桩孔处理完成后。
5 PCCP管道安装
5.1沟槽开挖及防护
地下水位降低满足开挖条件后,沟槽开挖采用挖掘机接力的方式开挖, 开挖的堆土按照设计要求堆放在开挖线外5m,堆土区成梯形状并修坡平整。沟槽边坡修整采用挖掘机斗齿部位焊接1cm厚钢板修坡,底部预留 20cm人工清理整平,确保不扰动原始基础面。雨季或者雨天对开挖的边坡需要采用塑料布进行防护,确保粉细砂层坡面不受冲刷滑坡。
5.2管道安装
开挖基础面验收及底部20cm厚的粗砂垫层铺设压实完成后方可进行PCCP管道安装工作,工程PCCP管道单节管重量在47t左右,根据计算采用300T履带吊吊装,管材吊装采用钢丝绳外裹橡胶或麻绳保护进行兜身吊,安装班组配置15人,分工协作完成吊装指挥、装管、稳管等工序。管道向沟槽内吊运时,始终保持轻起、轻放的原则。PCCP 管道安装时应使插口端与承口端保持平行,并使圆周间隙大致相等,然后履带吊不断调整“被装管” 中心轴线,让“被装管”尾部略高于插入端,缓慢移动使“被装管”向“已装管” 靠近,至安装成功。安装采用“内拉法”,即在已安装完成后的管道内接缝处架设受力梁,在被安装管道外端口架设横梁,用钢筋拉杆和手拉葫芦将两梁连接,通过手拉葫芦,将被安装管道拉至安装位置。安装靠内拉和履带吊配合同步进行,逐渐将被安装管道与已安装完成管道顶压对接在一起。安装时应注意观察橡胶圈,一旦发现橡胶圈有异常挤压现象,应立即停止安装,并检查橡胶圈是否完好,找出问题, 调整后重新安装。整个安装过程必须保证承插口清洁,严禁砂土及其他异物进入。安装后高程允许偏差:±20mm,水平轴线允许偏差:20mm,接口间隙允许偏差:10~25mm。
.png)
管道吊装示意图
5.2.1橡胶圈安装
安装前必须保持管道承插口清洁,对承插口上的异物或毛刺等均清除干净,并保持承插口光滑,然后对承插口工作面涂刷食品级植物类润滑油。对起包的漆皮予以清除,必要时采用铲刀和砂布进行剔除和打磨,打磨后补涂防腐漆。对橡胶圈进行外观质量检查,表面不应有气孔、裂缝、重皮、平面扭曲、杂质及有碍使用和影响密封效果的缺陷。橡胶圈套入插口环凹槽后,用钢棒插入橡胶圈下绕转一周,使橡胶圈均匀地箍在插口环凹槽内,且无扭曲、翻转现象,在安装好的橡胶圈外表面再次涂刷一层润滑油。
5.2.2PCCP管道固定
PCCP 管道就位精准安装完成后,即进行管道的固定。为使安装到位的 PCCP 管道不发生移位,对管道底部的两侧腋角采用人工进行中粗砂回填,并将两侧腋角中粗砂用手持夯实器具夯实,确保管道固定稳固。
5.3 PCCP管道打压试验
管道接头打压分为三次进行,首次接头打压指管道安装完成一节后,二次打压安装每安装 3 节管道后,对之前安装的第1节管道接头进行第二次接头打压试验,第三次接头打压在管顶回填完成后,进行第三次接头打压试验。
三次打压试验方法为:打压采用手提式打压泵,将打压嘴固定在管道插口的打压孔上,连接打压泵,将压力升至试验压力,恒压 2min,无压力降则合格。打压时从下部的打压孔压水, 上部打压孔排气,排气结束后拧紧密封螺栓。打压合格后,取下打压嘴,在打压孔上拧紧密封螺栓。
5.4外部及内部接缝密封胶施工
所使用的密封胶必须检测满足各项设计技术指标后方可使用,密封胶施工先清理管道内接缝,确保没有异物和灰尘,然后涂刷界面剂,待界面剂干燥后,使用专用密封胶枪分层施工密封胶。具体方法为:将中间带有出胶孔和推力杆的压胶盘置入包装桶内搅拌好的胶面上,取下注胶枪前后螺盖,枪口对准压盘出胶口,手推枪管和推力杆,用力下行,此时密封胶上行进入枪管,管内空气顺枪管后孔排出,灌满为止,将装满胶的枪管前、后螺盖装上,在装前螺盖的同时装上与变形缝宽窄相适应的枪嘴,即完成装枪工艺。
5.5阴极保护施工施工方法
5.5.1施工技术要求
PCCP 管道采用锌合金牺牲阳极阴极保护;管道每200m设置1组锌合金牺牲阳极阴极保护,管道左右侧均布,每组6套预包装锌合金阳极体。每套预包装锌合金阳极体包含:锌牺牲阳极锭1支,一根VV-10mm2电缆5m长,填包料40kg,棉布(天然纤维)口袋l条,即棉布口袋内有锌牺牲阳极锭1支,其钢芯上焊VV-10mm2电缆5m长1根,焊接处做绝缘处理,并套热缩管。锌牺牲阳极锭周围均匀分布40kg填包料。锌牺牲阳极锭规格重9kg。每套预包装锌合金阳极体配加强板一块,采用普通碳钢制作,尺寸为40×40×6mm。PCCP管道每1km设置牺牲阳极测试桩1个,用于连接牺牲阳极,测量牺牲阳极的性能参数。测试桩材质为碳钢测试桩,用优质无缝制造,规格为φ108×4×1500mm,埋地深度800mm。
5.5.2阴极系统安装
安装工艺流程为程:阳极安装→跨接电缆连接→测试桩安装→质量检验。
(1)牺牲阳极组装
在特制白布袋内放入10Kg填包料,再将经过检验和表面处理的阳极放入布袋轴线正中插入填包料中固定,并在阳极四周及顶部填装填充料约40Kg;阳极不应与布袋接触,组装时应防止阳极偏心。当管道的安装与锌阳极埋设同步进行时,牺牲阳极的埋设位置,与管道外壁距离为1.5米左右,最低不应小于0.3m。
(2)与管道电性连接
阳极电缆与PCCP管道采用铜焊单点连接,与钢管采用铜焊或铝热焊连接,焊接点电阻不大于4×10-4。
1)铜焊加热方式为火炬铜焊方式,燃料为乙炔-氧气、焊料为黄铜焊条、阻焊剂为硼砂。其操作方法为:将需要焊接的PCCP管两端预制的钢片用擦拭干净,用砂轮打磨钢片至露出金属本色,每处打磨面积要大于焊点面积,清理钢片焊点出表面;用铜焊焊枪将同焊条加热,将加热的焊条插入硼砂瓶,焊条表面会包裹一层硼砂;在用焊枪加热钢片至其发红,将需焊接电缆裸露端的铜芯按在钢片焊接处,然后将铜焊条蘸有硼砂的一端至于电缆铜芯与钢片靠紧处,用焊枪进行加热,铜焊条融化后流向铜电缆与钢片的接触面,将电缆与钢片焊接在一起,随着焊接的进行,铜焊液体包裹电缆的端面即可;焊接口补伤,采用环氧煤沥青将电缆及钢片裸露部位进行防腐处理。
2)铝热焊具体操作如下:
将需焊接的管道上表面擦拭干净,用砂轮打磨管道外防覆层至露出金属本色,每处打磨面积50cm2。清理钢管焊点处表面,将电缆焊插入铝热焊模具,并固定在钢管上,然后将铝热焊剂放入坩埚内,用点火器引燃焊剂,使之发生还原放热反应,成为液态金属(铁)和熔渣(主要为Al2O3),液态金属流入接头空隙,形成焊缝金属,熔渣则浮在表面上。
5.5.3阴极保护电缆连接
跨接电缆为2条或3条平行管道之间连接电缆,即用一条电缆将平行管道进行电连接,位置按设计所设计的桩号进行安装,电缆焊接方式为铜焊或铝热焊。
5.5.4碳钢测试桩安装
测试桩所连接牺牲阳极为水流方向右侧阳极,测试电缆与管道的连接处为牺牲阳极对应位置的钢片或钢管;由于测试桩安装后容易被破坏,先将测试电缆、参比电极电缆、阳极电缆引出地面,浅埋于测试桩所在坐标处并做好标记,等验收前安装测试桩。
碳钢测试桩安装步骤如下:
(1)把装有回填料的包装袋打开,用淡水把填料搅拌成均匀稠泥状,再将参比电极埋没于回填料中央,扎好包装袋,注意预留出导线,根据施工图纸的要求,挖好参比电极埋设坑后,将参比电极连同回填料埋设于预挖的埋设坑中,再向坑中浇适量淡水,保证电极与周围土壤之间的导电性。
(2)把15米长测试电缆(规格按设计要求)与管道用铜焊或铝热焊方法进行焊接和补口。牺牲阳极电缆与参比电缆、测试电缆一起直接引出地面;将测试电缆、参比电极电缆通过电缆沟和电缆套管接到测试桩,按照图纸设计连接到相应接线柱上。
(3)测试桩应埋设于坚实的地基之上,以防止测试桩在使用过程中发生倾倒。露出地面部分0.8米左右。
5.5沟槽回填
阴极保护系统及外密封胶施工完成后,经验收合格后方可回填。采用长臂反铲进行回填送土作业,回填时管道两侧应分层同步回填,注意避免管道轴线位移。分层回填夯实时每层松铺厚度不得大于 300mm,回填各层段压实度按设计要求进行控制。为使安装到位的 PCCP 管道不发生移位,对管道底部的两侧腋角采用人工进行中粗砂回填,并将两侧腋角中粗砂用手持夯实器具夯实确保管道固定稳固,从管底基础部位开始到管顶以上500mm 范围内,采用人工回填和轻型压实工具;管顶500mm 以上部位采用机械从管道轴线两侧同时夯实,保证管道不受损坏。
6、结语
本工程粉细砂层地质土层渗透系数为2.5×10-3cm/s,渗水量大,且边坡容易失稳发生破坏,在该条件下如何成功降低地下水位,确保干地施工尤为重要,粉细砂地层边坡在失去水分时容易流沙,都是管道能否顺利安装的前提条件,本工程在施工中围绕过程中总结高地下水位粉细砂层条件大口径PCCP管道安装技术,形成了比较新颖、独特、成熟的施工方法,具有很好的社会效益和经济效益,为类似工程积累了丰富的经验,值得推广和应用。
参考文献:
给排水管道工程施工及验收规范GB50268-2008;
预应力钢筒混凝土管道技术规范SL702-2015