彭琦 王鹏
北方工业大学 北京市石景山区 100000
摘要:针对锂电池组中的电池单元使用过程中出现的不一致性问题,进行一种采用非隔离平衡技术对电池充电过程中进行电压平衡的研究。设置谐振支路平衡电池各单元充电电压以提高电池使用寿命,设计电路工作模式,实现开关管零电压导通,降低开关损耗。同时设计主电路的拓扑结构,采用DSP作为主控芯片,从而实现充电电路的均衡管理。
关键词:非隔离;电压平衡;谐振支路;零电压导通
1.系统总体设计
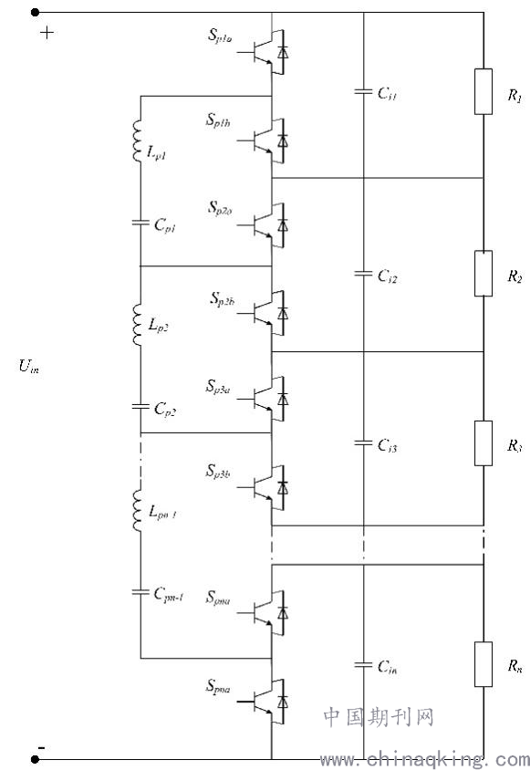
基于DSP的电池电压均衡电路采用电压自平衡的主动均衡电路结构,应用时其拓扑结构如图1所示,对电池进行充电时,每相邻2节电池采用一个独立的均衡单元。该结构主要由电压平衡级组成。左半部分是由个串联电容器和个半桥构成的电压平衡转换级[1],输出端则为与电容并联的锂离子电池,图中分别表示节锂离子电池。因每相邻两节电池组所需均衡单元的结构形式完全相同,因此,本文采用2节电池的三级拓扑结构进行研究与实验,最后将结果直接扩展应用到多个锂离子电池串联系统中。
.png)
图1 n级均衡电路拓扑结构
本文的电池电压均衡电路由微处理器单元和均衡单元[2]等组成。利用DSP控制器对电路形成进行控制,并发出固定的PWM脉冲信号。PWM脉冲信号驱动均衡单元内全控型开关管工作,实现电池间能量转移。均衡电路总体控制框图如图2所示。
.png)
图2 均衡电路控制框图
2.系统硬件设计
主控制器采用德州仪器的TMS320F28335,控制系统硬件电路的设计主要包括:辅助电源设计、TMS320F28335最小系统设计、通信电路设计、信号采集硬件电路设计、主电路以及驱动电路设计等硬件电路设计。
2.1主电路
如图3所示为储能系统电池电压均衡电路主电路的三级拓扑结构。电路中一个电压平衡级包含4个开关管和一个由谐振电容与谐振电感组成的谐振单元。图中电容和电感组成一个谐振支路,谐振支路前后连接至相邻的开关桥中点。本文主要研究均衡电压电路中的电压平衡级,因此在图3中,将电阻负载和代替蓄电池模块,分别与直流电容器和并联。
.png)
图3 均衡电路三级拓扑结构
2.2控制电路
2.2.1主控制电路-DSP模块
本文采用DSP的TMS320F28335控制开关管的导通与关断时间从而控制电压与电流大小以达到平衡电池充电电压的目的。
TMS320C5545作为一款性能高、兼容度高、功耗低及性价比高的DSP[3] 微处理器,被广泛应用于各行业。TMS320C5545的内部包括 C55x CPU、硬件加速器、DMA、DARAM、ROM、串口接口和连接接口等丰富的资源。TMS320C5545在电池电压均衡电路中的主要作用为通过电压均衡单元实现锂电池充电电路的均衡管理。
2.2.2驱动电路
控制信号需经过驱动电路放大后对开关管进行驱动。同时驱动电路还可实现整体电路中控制电路与主电路的隔离。本文选择光耦合器TLP250芯片作驱动芯片,该芯片单向通道,隔离电压最小为2500Vpms,最小工作温度为-20℃,传输延迟时间150ns,正向电流20mA,输出电流为1.5A,可在满足系统精度要求的同时正常工作以及对系统进行隔离保护。如图4所示,该芯片内部包含一个Gaalas发光二极管和一个继承光探测器,结构简单,外接功率放大电路后可对IGBT芯片进行简单驱动。
.png)
图4 TLP250管脚图
2.2.3电源模块
采用B2415XT-1WR2芯片作为电源模块对TLP250芯片提供电源,该芯片输入电压范围宽,体积小,具有3000VAC高隔离电压,适应于要求高隔离电压应用场合,且内设输入欠压保护及输入过电压停机保护功能,当其输入电压低于或者超过设定值时,电源模块进入停机保护状态,还具有输出短路和过温保护功能,可有效减少其损坏几率。该芯片效率高达75%,功耗低且绿色环保,保证了本系统工作的可靠性与高效率的同时对环境也较为友好。
.png)
图5 B2415XT管脚图
3.系统工作原理
3.1工作原理
在一个开关周期内,

同时导通0.5个周期后切换为

导通,电阻负载直接与电容器相连可视作DC-DC模块,当电路中负载电阻大小相等时,则与电阻直接相连的电容电压分别相等。而当负载电阻大小不相等时,电容电压大小也不等,此时VBC通过谐振单元传递能量实现输入和输出端口电压相同,可再次实现电压平衡,从而达到锂电池组各电池单元中电压均衡的目的。
本电池电压均衡电路共具有两种工作模式[4]。
工作模式1下,此时开关管

和开关管

导通,开关管

和开关管

关断;工作模式2下,此时,开关管

和开关管

导通,开关管

和开关管

关断。电路工作状态为:

3.2谐振支路
在工作模式1的整个开关周期中,谐振支路通过电力电子器件与直流电容器

组成回路,若

,则前半周期内

通过谐振支路放电,将谐振支路放电公式与电压推导公式结合可知在所有元器件都处于理想状态下时,充电电阻大小不一致时,电容器

与电容器

可通过谐振支路始终保持电压平衡,即保持了电池电压的充电平衡。
3.3 ZSC功能
对于电池电压均衡电路主电路的三级拓扑结构,当给出四个开关管占空比为0.5的方波脉冲,使

同时导通前半周期,

同时导通后半周期,即该电路在一个工作周期内可划分两种工作模式[3]。工作模式1下,

开通,

关断,此时直流电容器

向谐振电容器

充电,谐振回路电流由零开始缓慢上升至与开关管

电流相同,实现零电流开通;当谐振电流上升到一定时开始缓慢下降,开关管

关断时,谐振电流下降至零,实现零电流关断。工作模式2下,

开通,

关断,此时谐振电容器

向直流电容器

充电,谐振电流先由零反向增加,至

关断时又反向增加至零,实现零电流开通与关断。
4.仿真分析
根据上文对储能系统电池电压均衡电路的设计,通过仿真与实验给予验证,利用MATLAB/Simulink 仿真软件建立电池电压均衡电路的仿真模型,得到的仿真结果验证上文的参数设计思路的正确性。图6为电池电压均衡电路仿真模型。
图6 仿真模型
设置直流电压源输入电压为200V。当蓄电池内阻相同,大小均为5Ω时,则蓄电池充电电压均为50V,仿真波形如图7所示。
.png)
图7 蓄电池内阻相同时的电压波形
当蓄电池内阻存在微小差别时,设置蓄电池1和3的内阻均为5.2Ω,蓄电池2和4的内阻均为5Ω,仿真发现,四个蓄电池的充电电压依然稳定在较为平衡的状态。仿真波形如图8所示。
.png)
图8 蓄电池内阻存在较小差别时的电压波形
如图9所示为仿真电路中开关管触发脉冲与谐振支路电压电流波形图,四个输出波形由上至下依次为触发脉冲1、触发脉冲2、谐振支路电流和谐振支路电压波形图。由图所示,两路触发脉冲互补,且触发脉冲1发出高电平时,电路中开关管导通,谐振支路中电压先减小后增大,前后电压大小保持一致;谐振支路电流先增大后减小,其电流大小呈周期性变化。
图9 触发脉冲与谐振支路波形
如图10为实验所测示波器波形图,其波形分别为触发脉冲1、触发脉冲2和触发脉冲1与谐振支路电流波形图,该图和理论所得波形图相一致。可说明本文电路可实现对电池的均衡充电。
.png)
图10 实际所测波形图
参考文献
[1]Wu Chen, Xinbo Ruan. Zero-Voltage-Switching PWM Hybrid Full-Bridge Three-Level Converter With Secondary-Voltage Clamping Scheme.[J]. IEEE Transactions on Industrial Electronics, 2008, 55(2):644-654.
[2] 李建辉,王彩申,林心笑.基于Buck-Boost锂离子电池组均衡电路设计[J].自动化与信息工程,2017,38(01):13-17.
[3] 张文雄.DSP控制移相全桥DC-DC变换器的研究与设计[J].电子测试,2021(07):24-25+14.
[4] Electronics; New Electronics Study Results Reported from Beijing Jiaotong University (A Modified Dc Power Electronic Transformer Based On Series Connection of Full-bridge Converters)[J]. Electronics Newsweekly,2019