刘秀良1 张元东1 涂学强1
1.江西景航航空锻铸有限公司 江西 景德镇 333000
摘要:本文结合生产管理工作的实际,探讨单元生产在航空锻造企业的应用。通过将锻件生产流程中联系紧密的多个工序构建成生产单元,减少工序间的衔接和等待、减少管理环节,从而提高整体生产效率。本文以产品锻造环节的各工序为例,介绍了单元生产在航空锻造企业中的实际应用,在提高生产效率方面起到了不错的效果,对航空锻造企业改进生产管理模式有一定的参考作用。
关键词:航空锻造;单元生产;生产管理。
The use of cell production in aviation forging plant
Liu Xiuliang1 Zhang Yuandong1 Tu Xueqiang1
(AVIC Jiangxijinghang aviation forgingδcasting co..LTD Jingdezhen Jiangxi 333039)
Abstract:This article is based on the working in aviation forging plant, expounds the use of cell production of lean manufacturing.Cell production including some adjacent procedures can reduce time of waiting and links and raising integral efficiency.This article takes an example of cell production in aviation forging plant.
Key words:aviation forging;cell production;production management.
随着时代的发展,飞机在人们的生活和国防建设中的作用越来越大,对飞机的需求量也越来越大。进入新世纪以来,我国的航空产业发展迅速,开发了C919大飞机、AG600大型水上救援飞机、运20大型运输机以及多种型号的战斗机、直升机等产品,飞机用途的多样性决定了其机种多、数量少的特点。每架飞机由几百万个零件组装而成,飞机零件的制造品种多、数量少的特点更加明显。为了适应航空产品生产的特点,满足顾客的需求,越来越多的航空制造企业引进了精益制造的方法来提高效率和质量、缩短生产周期、降低成本,取得了较好的效果。下面以我公司生产航空锻件的锻造环节为例,研究精益制造中的单元生产在航空锻件生产企业中的应用。
1单元生产简介
单元生产是一种生产布局方式,是指将人员、设备、物料在特定作业场地内依据产品工艺流程合理配置,材料和零件能够以最小的搬运或延误完成流程,配合相应的生产管理方法提升效率,是精益制造的核心模块,在小批量、多品种的大环境下,是当代最新、最有效的生产线设置方式之一。和传统的生产方式相比,单元生产具有以下优势:
a)交期优势:消除等待、搬运的浪费,提高生产效率、缩短生产周期;便于信息沟通,提高沟通效率;单元内进行柔性化生产,更好适应客户需求。
b)质量优势:质量问题能够被迅速发现和解决,提高产品质量。
c)成本优势:缩短搬运距离,使物料搬运成本最小化;按节拍时间和标准操作,劳动力得到充分利用;提高在制品的周转率,降低在制品数量。
2生产现状分析
由于航空锻造热加工的特性和产品特殊的质量要求,产品必须按批生产,根据材料和产品质量要求的不同,产品的生产工序和生产周期不同。
航空锻造设备都有体型大、辅助设备多、功能区域大的特点,受厂房空间限制以及高温、噪声、粉尘等环境因素的影响,加上多品种、小批量的生产模式,大多按功能型布局。以我公司为例,锻件生产流程中锻造分厂需要负责的主要工序有锻造、表面清理、打磨等(图1),生产区和功能区分布在200亩的区域内,有的相邻工序距离超过300米。生产实行按工序分段管理,这种管理模式使工序间交接的次数非常多,过多的工作交接浪费了大量的人力和时间,也出现了产品无法及时交接给下工序和交接错误的情况,从管理上延长了生产周期。
.png)
图1 产品生产流程
3 构建生产单元
通过将相邻的一个或多个工序建立成一个生产单元,缩短相邻工序间的距离,减少不必要的生产管理环节,可以有效提高效率和质量、缩短周期、降低成本。按照这一思想,我们尝试将新投入的2500T电动螺旋压力机生产线的锻造工序和关联紧密的表面清理工序、打磨工序组成生产单元。
3.1产品家族化
航空锻件产品根据材料相似性和工序相似性,大致分为钢、铝合金、钛合金锻件,每大类材料的典型工艺相近。例如:铝合金锻件在锻造环节需要经过锻造、表面清理、打磨工序,并根据情况重复2-3次(图2)。
.png)
图2 典型工序
3.2工艺精益化
按照质量管理体系和武器装备质量控制的要求,航空锻件生产工艺都要经过试制、定型的过程,从而保证产品质量的一致性和稳定性。因此,运用精益制造的思想使工艺精益化主要从减少操作上的浪费、缩短生产准备时间、减少产品在工序中的等待时间、提高生产管理效率和改进产品质量上入手。
3.3设计生产布局
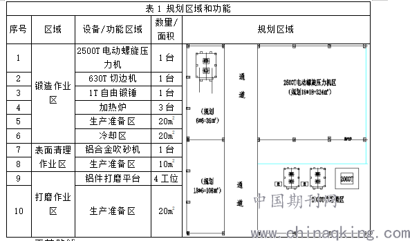
3.3.1在现有厂房新建2500T电动螺旋压力机生产线规划的可用面积共468㎡,生产的产品有铝合金、钛合金、钢等材料的锻件。需要安装的设备和设置的功能区域如表1所示。(钢、钛合金、高温合金材料锻件的表面清理和打磨工序在其他区域)
.png)
3.3.2工艺路线
从接收物料到产品转到热处理工序,物料和产品在生产单元内需要多次在不同设备、不同区域流转和重复工序(图2)。
3.3.3 工艺布局方案和物料移动分析
在进行工艺布局时需要充分考虑以下因素:
a)根据产品锻造工序的典型工艺路线(加热→锻造→切边)和厂房空间考虑主设备和加热设备布局,必须保证操作空间和操作者之间衔接配合的安全性,同时保证物料在各设备上流转方便。
b)锻造工序、表面清理工序、打磨工序的距离尽量短,上下工序间尽量在可视范围内。
c)冷却区、物料准备区等功能区域的位置和空间要保证工人作业安全、方便,同时可以存放一定数量的在制品。
d)各工序的环境因素和影响职业健康安全的因素不能交叉影响,控制好锻造作业区的高温因素和打磨区的粉尘因素等。
e)锻压设备和辅助设备体积和占地面积比较大,考虑土工作业和安装作业的空间和安全性。
f)设备的动力要求,如水、电、风、气等,其管线布局安全为主,规范布置。
在充分考虑了以上因素后,我们设计了多种工艺布局方案并以图形模式模拟工艺布局和物流,从中选出了最优的方案:
方案A:铝合金锻件需要在生产单元内完成锻造、表面清理、打磨工序,生产流程和物料移动距离如表2。
.png)
3.3.4布局方案现场校核和生产线建设
锻压设备和辅助设备体积很大,现场采用了1:1画线的方式进行工艺布局模拟、作业场景模拟和物流模拟,模拟后认为方案可行。
经过4个月的建设,生产单元内设备完成了安装调试,正式投入使用(图3-6)。
.png)
图5 锻造至表面清理作业区物流 图5 锻造至表面清理至打磨作业区物流
3.4生产管理调整
3.4.1调整前生产管理模式
按工序分段管理生产模式下的物料和信息流:
物流:物料由上道工序的生产班组转运至下道工序的作业现场。一个锻造生产循环需要完成4次物料转运。
信息流:负责各工序的调度员给各工序下达生产指令,各工序生产班组按照生产指令完成作业,并向调度员报工;各工序的调度员之间进行交接。一个锻造生产循环需要完成6人共9次的交接,均为外部交接。
不同人员和班组之间过多的交接浪费了大量的人力和时间,也带来了很多管理问题,交接不及时、交接信息错误的情况时有发生。
.png)
图7 调整前的物流和信息流
3.4.2调整后生产管理模式
针对生产管理上存在的问题,我们调整了生产管理模式和人员的职责,减少不同人员和班组之间过多的交接。具体调整方案:
a)将锻造工序、表面清理工序、打磨工序组成生产单元,根据工作量选择适当数量锻造人员、表面清理人员和打磨人员编入生产单元,负责生产单元内的锻造作业、表面清理作业和打磨作业。
b)锻造班组长负责生产单元的管理工作,培养多能工,使生产单元内人员可胜任不同岗位的工作。
c)调度员1下达生产指令到生产单元,与锻造班组长交接工作,监控生产进度。
物流:物料由上道工序转运至下道工序的作业现场。一个锻造生产循环需要完成4次物料转运。
信息流:生产单元内由锻造班组长给各工序下达生产指令,各工序完成作业后,由锻造班组长向调度员1报工并与调度员1交接。一个锻造生产循环需要完成4人共6次交接,其中3次锻造班组长与生产单元内锻造、表面清理、打磨工序作业人员的交接和3次锻造班组长与调度员1的交接。
.png)
图8 调整后的物流和信息流
3.5效果评价
经过6个月的运行,2500T电动螺旋压力机生产单元在产品试制和小批量生产阶段表现出了较高的效率。主要表现在以下方面:
a)生产单元内锻造班组长可以及时发现工序瓶颈,根据各工序的工作量和进度要求灵活调配各岗位人员,减少生产出现停滞的机会,使生产周期受控。
b)生产单元内信息由锻造班组长1人向调度员1报告,保证信息统一,实现快速排产,生产周期随之缩短。
c)生产单元内信息交流方便,发现问题时可以立即反馈给上道工序并采取措施,减少质量问题的产生。
d)简化了生产管理流程,提高了工作效率。一个锻造生产循环的工作交接环节从9次减少到6次,其中3次是生产单元内部交接,减少因交接带来的问题。
e)生产过程和产品在相邻作业区域内完全展现出来,便于生产过程和质量监管。
f)生产管理人员从3人减少到1人,赋予了锻造班组长更多的职能,使人力资源得到充分利用。
g)产品在工序间的转运距离缩短,节约了时间和人力资源,降低了生产成本。
该生产单元表现出了较高的价值提升空间,在未来批产阶段有很大的潜力可挖。
4 结论
通过在2500T电动螺旋压力机生产线实行单元生产,我们提高了效率、降低了成本、缩短了周期,实现了精准生产,使以多品种、小批量为特点的航空锻造实现连续生产成为可能。单元生产形式灵活、可靠,其组建方式、工作内容和涵盖工序可以根据需要调整,这种柔性生产方式带来的交期、质量和成本上的优势可以最大限度地满足顾客的要求。
参考文献
[1] 郝春锋,生产单元,北京:中航工业综合所生产力促进中心,2015.
[2] 郝春锋,生产准备过程,北京:中航工业综合所生产力促进中心,2015.
[3] 李小书,价值流分析,北京:中航工业综合所生产力促进中心,2015.
[4] 张立坤,零缺陷生产,北京:中航工业综合所生产力促进中心,2016.
稿件联系人信息:
姓名:刘秀良
性别:男
年龄:36
职称:工程师
专业:锻压
从事的工作:航空制造(专业化航空锻造企业,主要从事飞机和发动机零件的锻造、热处理、加工和理化检测等业务)
工作单位:江西景航航空锻铸有限公司
地址:江西省景德镇市浮梁县陶瓷科技园区景航路1号
邮编:333000
有限:wolfliulang@126.com
电话:13687987302