吕火焰
        王董(北京)建筑设计有限公司    北京     100190
        摘要
        随着建筑物建筑层数和建筑高度的提升,我国城镇供水管网的低压供水模式已不能满足较高楼层供水压力的要求,二次供水方式便应运而生。二次供水有多种供水方式,其中变频调速供水是现行主流供水方式。技术不断更新,变频调速供水已从单变频逐步发展为全变频供水,若选泵适当,节能效果显著,但其短板是没有充分利用市政供水管网水压。叠压供水则克服了上述缺点,两者强强联合形成全变频叠压供水,其应用的限制主要是其对市政供水管网有较高的要求。
        在进行二次供水系统设计时,首先要确定的是系统供水量和水压,亦需考虑供水水质的保障措施。供水水压的高低会影响供水能耗,过高的水压不节水不节能,而过低的水压用水舒适性得不到保证,在设计时最不利用水点处的水压建议采用0.10~0.15MPa。
        文中比较给出了单变频、全变频泵组组合的高效区流量范围占比。数字集成全变频控制供水设备因各工作泵采用等量同步、效率均衡运行模式,高效区流量范围占比大,节能效果很理想。
        关键词:  二次供水,数字集成全变频,泵组组合,高效区流量范围
一、引言
        随着建筑物层数和高度的提升,我国城镇供水管网的低压供水模式已不能满足较高楼层供水压力的要求,二次供水方式便应运而生。二次供水有多种供水方式,其中变频调速供水是现行主流供水方式,若选泵适当,节能效果显著,但其短板是没有充分利用市政供水管网水压。数字集成全变频控制供水设备因各工作泵采用等量同步、效率均衡运行模式,高效区流量范围占比大,节能效果很理想。
二、术语摘录
2.1二次供水
        当民用与工业建筑生活饮用水对水压、水量的要求超过城镇公共供水或自建设施供水管网能力时,通过储存、加压等设施经管道供给用户或自用的供水方式[1]。该条全文引自现行《建筑给水排水设计标准》,条文没有考虑水质的影响,当用户对水质有更高要求时,也需二次供水,如管道直饮水。
2.2数字集成全变频控制恒压供水设备
        设备中的每台水泵均独立配置数字集成水泵专用变频控制器,各变频控制器通过CAN总线技术相互通信、联动控制、协调工作,可直接通过显示屏进行人机对话实现泵组运行参数的设定与调整,使泵组实现全变频控制运行的成套变频调速恒压供水设备[2]。
三、变频供水
3.1不一定节能
        变频电路是由整流器和逆变器组成的AC-DC-AC变换电路,整流器先将频率为50Hz的交流电变换为直流电,再由逆变器将直流电变换为频率f、电压u可单独或同时调节的交流电。早期电流变频由继电器实现,故障率较高,现在已基本由数字集成电路代替,不变的是各种变频电路均是耗能电路。
        给水系统的特点是按秒流量设计,但大部分时间为低流量运行,水泵低速运转在低效区,电机过热,电能变热能,再加上变频控制电路的损耗,实际能耗可能高于水泵工频运行。因此节能的关键是确保变频泵组运行在高效区。
3.2控制方式
        变频调速供水根据泵组出口压力值不同,有恒压变流量和变压变流量控制之分。恒压变流量模式下系统设定的给水压力值为设计秒流量下水泵出水管处所需的压力,系统在水泵出水管上安装电触点压力表或压力传感器取样,通过控制使泵组出口压力稳定在设定的压力值。变压变流量模式下则是在供水管网末端安装电触点压力表或压力传感器取样,通过控制使管网末端水压保持恒定,泵组出水口压力则随供水量变化而变化,但其控制相当复杂。现多采用恒压变流量控制方式。 
3.3运行模式
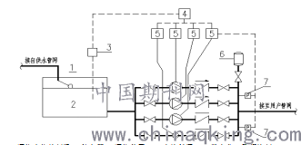
        全变频调速供水所有水泵均配置变频器(包括备用泵和小流量泵),变频器通过总线(CAN总线)技术实现相互通信,使水泵采用等量同步、效率均衡运行模式,为现今较为高级的变频供水技术,供水原理示意图见图5-2-1。全变频调速的工作原理简述如下(以三台工作泵为例):
    
        首先,单台泵变频运行,随用水量的增加逐渐升频直至工频运行状态。此时,如供水压力仍达不到设定值,则变频启动第二台水泵,该泵运行频率逐渐上升,而第一台泵则逐渐降频,直至两泵同频率运行。当两泵运行不能稳定供水压力时,两泵同步升频直至工频状态。如两台泵工频运行不能稳定系统压力,则变频启动第三台水泵,该泵运行频率逐渐上升,而第一、二台泵则逐渐降频,直至三泵同频率运行。反之,系统用水量减少时,则同步下降水泵运行频率,当运行频率低于30Hz(部分产品可到25Hz,此值用户可自行设定)时,系统停止一台泵运行,直至所有水泵停机。
        而单变频调速供水系统是指1台变频器控制多台水泵进行恒压变流量运行,假设工作泵为3台,水泵组合运行方式有:单台变频、单台工频、单台变频+单台工频、两台工频、单台变频+两台工频等。
        
        
        
        
        
        
.png) 
        
        
1-液位水位控制阀 2-储水箱 3-液位传感器 4-自控触摸屏 5-数字集成变频控制器
        6--气压水罐 7-压力传感器
图3-1  全变频调速供水系统原理示意图
四、泵组高效组合
        水泵的调速范围在0.7~1.0之间[3],根据水泵的比例律,变频调速泵的流量调节范围也在0.7~1.0之间。综合分析水泵一用一备、二用一备、三用一备三种水泵组合情况,泵组供水的高效工作区范围详见表4-1,全变频调速供水与单变频调速供水的能耗对比(3台工作泵)详见表4-2。
表4-1   不同泵组组合高效工作区范围表
.png)
备 注    假设系统设计流量为3Q,单泵流量为Q,水泵最低运行频率为30Hz。
        从上两表可以看出,单变频调速供水泵组在高效区运行的流量范围占比较小,因此不宜采用仅1台变频泵的泵组组合。对于全变频调速供水,部分厂家的产品已能将每台水泵的高效区流量范围扩展到100%~50%(50Hz~25Hz),可达到更理想的节能效果。如果再考虑小流量泵与工作泵的联合变频调速运行,全变频泵组在高效区运行的流量范围占比会更大,节能效果更显著。
五、结论
        受制于城镇供水管网的低水压,我国绝大多数建筑需二次供水。建筑二次供水系统的选择需综合考虑建筑物用途、层数、给水方式、泵站与水箱规模及设置位置、供水管道走向等多种因素。在各种二次供水方式中,变频调速供水技术现已是供水首选方案,其是由可编程控制器、变频器、控制线路及水泵机组构成的一个闭环控制系统,解决了传统的高位水箱供水顶层用户水压不足及水箱水质二次污染的问题。
        变频控制技术现已发展到数字集成全变频控制技术,得益于电子科技的飞速发展,其控制精度、节能能力已有了很大的提高。二次供水技术仍在发展,但不管使用何种供水技术,保证水量、水压、水质安全将会一直是给水排水专业需要考虑的问题。
参考文献
[1] ?GB 50015-2019 建筑给水排水设计标准 
[2]    CECS 393:2015 数字集成全变频控制恒压供水设备应用技术规程.
[3] 住房和城市建设部工程质量安全监管司,中国建筑标准设计研究院.全国民用建筑工程设计技术措施 给水排水.北京:中国计划出版社,2009.
[4] 秦曾煌主编.电工学(第七版) (上、下册) .北京:高等教育出版社,2009.
[5] 许仕荣主编.泵与泵站(第六版) .北京:中国建筑工业出版社,2016.