加工工艺技术的误差对装配质量的影响分析

发表时间:2021/2/25   来源:《工程管理前沿》2020年32期   作者:金宝国
[导读] 机械加工工艺指的是对工件外形尺寸或性能通过机械设备进行调整
        金宝国
        一重集团天津重工有限公司            天津市       300300
        摘要:机械加工工艺指的是对工件外形尺寸或性能通过机械设备进行调整,然而现有的个别加工技术仍有一定缺陷存在,以致于加工中时常会有浮动出现在个别技术指标上,而此类存在不稳定性的技术会使机械加工工程进度受到影响。就整个机械加工行业来说,此类问题频频出现。也正是因为技术问题会对机械加工行业的发展造成影响的缘故,因此必须高度重视这一问题。
        关键词:机械加工;加工工艺;技术误差;装配质量
        机械加工技术实现了社会生产的机械化与产业化发展。然而依据我国现有机械加工技术水平来说,仍有些许机械加工工艺误差存在,会对整体生产水平造成影响,最终导致机械产品原有性能受到影响。而要想实现技术化水平的进一步提升,就必须将机械加工工艺技术的误差问题妥善解决。
1机械加工工艺技术流程
        机械加工工艺技术流程表示的是在将一系列加工工艺实施在普通的原材料上,将其朝着零件转换的过程。具体加工实践中,机械加工人员会在将零件加工的方法、加工工艺流程及所需人工数量等明确之后,再进行加工方案的制定。就加工方案而言,加工时间、工艺、数量及人员等内容都十分关键。机械加工期间,加工方案是重要的组织生产技术文件,是工程或车间改造、扩建的基本技术依据,同时对于工程计划调度与生产准备来说,也是必不可少的重要依据。
        机械加工工艺技术具有较强的适用性、针对性,每一类零件都具备与之对应的机械加工工艺技术,倘若两者之间存在无法匹配的问题,就无法生产出能够投入使用的可用零件[1]。零件加工期间,在机械加工工艺技术的运用下,能以具体需求为根据将零件的质量、形状及尺寸等性能改变。运用机械加工工艺技术期间,应以一定参数标准为根据,倘若与参数支撑不相匹配,零件机械加工也就不存在科学性。
2工艺技术的误差的主要表现
2.1定位误差
        机械技工工艺技术中,最为常见的检测误差的形式就是定位误差,造成定位误差的主要原因是机械定位不准确,还有基准定位的数据一开始没有设定好造成的。在机械加工这项技术中,部件原本的材料要求在加工机械上进而实现定位误差,事实上,当前对于部件的测量,还有对加工机械设定的数据问题上面,也存在一定的数据和定位的误差问题,最终的结果导致完工后出现部件的质量误差问题。还有一种基本的误差是机床制造过程中产生的误差,原因是在机床生产的过程中,运作时候发生摩擦的情况产生的误差。主要的表现方式有三种,主轴运转造成的误差、导轨造成的误差还有传动链中造成的误差。
2.2加工原理误差
        加工原理误差是指工作人员对成型的产品进行打磨时所产生的误差。一方面,它可能对产品的外形轮廓造成了改变,没有依据标准进行适度修改;另一方面,工作人员混淆了加工制造原理,使实际加工位置出现了改变。
3优化工艺技术误差的策略
3.1优化和完善机械加工工艺
        案例:连铸设备中间罐倾翻台、渣罐倾翻支撑座加工工艺的优化
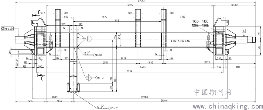
        按图纸要求此类产品需定制专用机床焊接后进行加工,工件要求如图1、图2所示,要求两侧传动轴同轴0.5mm以内,由于工件结构超大两端轴加工难度增加,为了保证轴的加工精度不应后续装配使用,将工艺优化为:轴焊接前精工完成,将结构将焊接后加工各部传轴孔(如图4、5所示)证过渡配合精加工,保证各孔的同轴度,装配轴到结构件上焊接完成,通过这种直接方式保证了轴端的加工质量尽可能的避免加工误差,这样也保证了整个工件的整体精度,避免后续给装配带来精度误差。

                                        图1   

图2
                                                                              
图3  
图4

                  图5

图6

        机械加工工艺技术过程中有些误差是可以避免的,一方面可以进行机械加工工艺技术误差的调查,另一方面还可以通过预防的方式来降低产生误差的概率;但有些误差是很难避免的,所以我们要做好弥补误差的措施。还需要展开进行调查的有元件加工,对于可能性存在的误差和技术性质的误差,通常采用直接加工的方式可以尽可能的避免误差,在机械加工工艺过程中,对于切削工具和夹具的问题,要求进行定时管理和定时维护的工程,从而保证切削工具的标准和进场的时保持一致,不存在破损的情况;对夹具的误差问题,需要完善对夹具使用的方法进行规范的指导,从而保证夹具有一定的固定性[2]。其次是易变形元件的加工要求,对元件的加工过程中,比如采用横向切入法的时候,很容易造成元件变形。总而言之,针对可以避免的误差来说,提前做好预防措施来避免误差的出现[3]。
3.2减少原始误差的产生
        在机械加工的过程中,原始误差会对最终的产品加工精度产生极为不利的影响,所以要想提升机加精度,就必须采取措施来减少原始误差。具体而言,可以通过提高机床、刀具以及夹具的精度来有效降低工艺系统因受力变形等原因而产生的误差,进而降低原始误差的影响。另外,要针对具体的加工环境,分析导致原始误差产生的具体原因,并采取有针对性的措施来提高机械加工精度。对于精密产品的加工来说,要在几何精度、工艺系统刚度以及控制加工变形等方面进行综合提高,这样对保障精密零件的生产质量有积极意义。
3.3做好误差的预防工作
        除了尽可能地降低原始误差之外,还可以采用误差分组、误差转移等方法来减小和改变加工误差,进而促使产品加工精度满足要求。但这种方法也存在一定的局限性,当机械加工精度达到一定標准后,采用误差预防法的成本会大幅提升。
4总结
        综上所述,随着我国科技发展的不断发展,机械工业工艺技术也有了很大的提升,人们对科学技产品的要求可以说是越来越高。对机械加工工艺技术这方面,减少误差是提高产品质量的最佳途径。针对我国目前社会的高标准和高要求,严格要求使我们不仅要掌握机械加工工艺技术理论这方面的知识,还需要将这方面的理论更多的应用于实践里面,从而提高机械加工的产品质量,控制或减少机械所产生的误差。另外,我国科技技术是不断向前进步和发展的,机械加工工艺技术也应该抓住我国科技技术的小尾巴,满足社会的要求。同时,如果想要通过机械加工工艺技术来提高生产效率,就必须对机械加工工艺的技术提升,如国对机械加工中的误差不在意或忽视,就会给我国机械生产加工工业带来一定的经济损失。为了提高机械加工工业的可持续发展,在机械加工工艺进行的过程中,技术人员要注重加工工艺技术的更新,同时提高员工本身的技术素养,搭配使用科学技术来降低在生产过程中所产生的误差,从而提高机械加工工艺产品的质量和技术。
参考文献
        [1]严志刚.中小企业财务管理存在的问题及对策的若干思考[J].财会,2016(09):45+47.
        [2]丁悦晨.我国中小企业财务管理存在的问题及对策[J].中国商论,2016(09):17-19.
        [3]苏婷.企业财务预算管理中存在的问题及解决对策[J].中小企业管理与科技(中旬刊),2015(09):77-78.
        [4]刘翼.中小企业财务管理存在的问题及对策研究[J].经济研究导刊,2015(09):145-147.
投稿 打印文章 转寄朋友 留言编辑 收藏文章
  期刊推荐
1/1
转寄给朋友
朋友的昵称:
朋友的邮件地址:
您的昵称:
您的邮件地址:
邮件主题:
推荐理由:

写信给编辑
标题:
内容:
您的昵称:
您的邮件地址: