苏南硕放机场低能见度气候统计特征

发表时间:2021/1/4   来源:《科学与技术》2020年9月第26期   作者:王亚林
[导读] 应用苏南硕放机场2005-2011年共7年的地面气象观测资料,对该机场低能见度现象的年变化、日变化等气候特征进行了统计分析,揭示低能见度日年季变化

        王亚林
        苏南硕放国际机场有限公司  无锡   214000
        摘要:应用苏南硕放机场2005-2011年共7年的地面气象观测资料,对该机场低能见度现象的年变化、日变化等气候特征进行了统计分析,揭示低能见度日年季变化,导致低能见度的主要因素和持续时间。
关键词:低能见度;统计;特征
1.引言
        主导能见度是指观测到的达到或超过四周一半或机 场地面一半都能达到的最大水平能见距离。这些区域可以是连续的,也可以是不连续的。
        根据有关统计,国际民航事故原因分类中,气象原因造成的飞行事故占20%,仅次于机组差错原因,因低能见度造成的飞行事故占气象原因的16%,高于雷暴原因。而在国内低能见度造成的事故占气象原因的29.2%。能见度更是与飞行的具体活动有着密不可分的关系,是决定机场开放还是关闭、起飞着陆用目视飞行规则还是用仪表飞行规则的主要依据。
2.低能见度的气候特征
2.1.低能见度的年变化特征
值出现在0时,其频率为5.1%,谷值出现在6、7时,其频率为0。
 
 
       
由表2可知,低能见度一般持续在4小时以内。持续时间在1小时以内的最多,平均3.7次,占了总次数的46.8%,1-2小时平均为1.8次,占总次数的22.8%,2-4小时平均1.4次,占总次数的17.7%。春季一般持续在2小时以内,以持续0-1小时最多,平均0.7次,占总次数的8.9%,其次为1-2小时平均0.4次,占总次数的5.1%,2-4小时平均0.1次只占了总次数的1.3%,4小时以上的未出现。夏季低能见度只出现过持续0-1小时,平均0.3次,占总次数的3.8%,1小时以上的未出现。秋季一般持续在2小时以内,持续0-1小时平均为0.4次,占总次数的5.1%,持续1-2小时的反而多些,平均0.7次,占总次数的8.9%,2小时以上的未出现。冬季一般持续在4小时以内,以持续0-1小时为主,平均2.3次,占总次数的29.1%,1-2小时平均0.7次,占总次数的8.9%,2-4小时平均1.3次,占总次数的16.5%,4-6小时平均0.6次,占总次数的7.6%,6小时以上的平均0.4次,只占了总次数的5.1%。其中最长持续时间出现在2008年的1月10日,持续了11小时51分钟。
5.小结
5.1冬季出现日数最多,秋季次之,春季和夏季最少。春季和夏季能见度最好,深秋和冬季能见度最差。其中以11月出现的平均低能见度日数最多,5月最少。
5.2春、秋、冬三季低能见度出现频率较高的时段一致,都集中在北京时间早晨8点,而夏季低能见度极少出现。
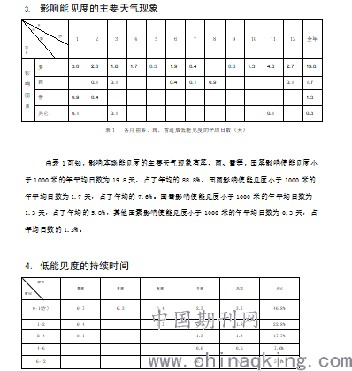
5.3造成低能见度出现的天气现象主要是雾、雨和雪,其中以雾的出现频率为最高。
5.4低能见度的持续时间以2-4小时为最多,夏季出现持续时间皆在一小时之内。
   
 
投稿 打印文章 转寄朋友 留言编辑 收藏文章
  期刊推荐
1/1
转寄给朋友
朋友的昵称:
朋友的邮件地址:
您的昵称:
您的邮件地址:
邮件主题:
推荐理由:

写信给编辑
标题:
内容:
您的昵称:
您的邮件地址: