牟增旭 赵莹 张朝舜 蔡世龙 贾克
中国铁路北京局集团有限公司北京动车段,北京 102600
摘要:京广高铁运行的CRH380A(L)动车组,由于轮缘偏磨及轮径消耗问题,运用中更换大量轮对,严重影响动车组的运用效率和运营秩序。因此如何减少动车组运用中更换轮对数量及频次,降低风险、节支降耗,亟待解决。
关键词:动车组; CRH380A(L);轮缘;轮径;轮对镟修
一、京广高铁CRH380A(L)动车组车轮检修存在的主要问题
目前CRH380A(L)动车组高级修修程规定的轮径下限为800mm,而运用维修规程规定的轮径下限为790mm,两者相差仅10mm,CRH380A(L)动车组高级修周期为60(+2-5)万公里,运用镟修周期为20~25万公里,在运用中至少要经过两次镟修。在京广高铁运行的CRH380A(L)动车组同样存在轮缘偏磨、轮径镟修消耗量大问题,而动车组在接近或经过五级修时,轮径普遍接近或达到800mm,剩余的10mm轮径余量无法满足下一次高级修周期,因此发生了大量运用换轮,同时组织了部分动车组提前入高级修,存在经济上的浪费,而运用中的大量换轮,也对动车组的运行安全埋下了隐患。
2015年8月至2016年5月,某动车段共计更换CRH380A(L)动车组轮对63条,其中的60次为轮径、轮缘到限,如表1所示,按照每5个月的数量统计,原因为轮径到限的换轮数量明显高于其他原因,且2016上半年程增长趋势。
.png)
表1 CRH380A(L)动车组轮对更换统计
CRH380A(L)动车组更换轮对需要落下转向架,工作量大,耗时长,轮对整备至少需要2天时间,还需在更换完成后进行轮对镟修、油脂更换、跑合试验等程序,造成了动车组的长时间扣修。
二.目前应对措施分析
问题发生以来,通过对数据进行统计分析,发现CRH380A(L)动车组在高级修后轮径余量在10mm时,很难满足正常运行至下一高级修修程,即在上次高级修后运行55至62万公里。
2015年8月至2016年5月中,因轮径轮缘到限在动车段更换的8列动车组共计63条轮对,其上次高级修修程均为五级修,在上次高级修后平均运行423744.85KM后,就需要更换轮对,不能满足一个高级修周期的运行,具体统计见表2。
.png)
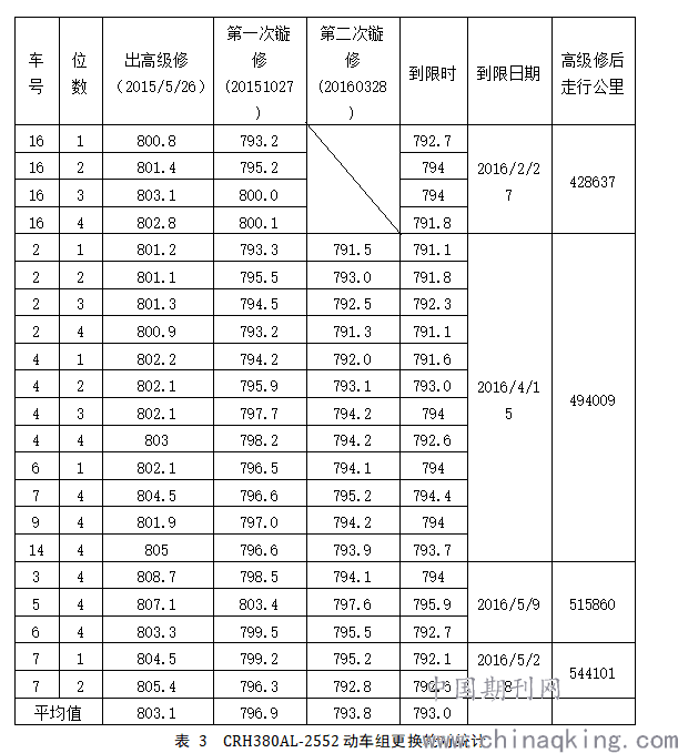
以更换轮对数量较多的CRH380AL-2552动车组为例,上一次高级修修程为五级修,其在运用中更换的21条轮对在高级修修竣时轮径值最大为808.7mm,最小为800.8mm,平均为803.1mm,其中的16车的4条轮对仅经过一次镟修,就因轮缘磨耗到限,而轮径值过小无法恢复轮缘而换轮,高级修后公里数仅为428637KM。具体的CRH380AL-2552动车组更换轮对的详细统计情况见表3。从表中可以看出,发生换轮的21条轮对,在上次高级修修竣时,平均轮径为803.1mm,平均值小于805mm。
.png)
以该车组2车1位轮对为例,根据踏面诊断数据,2015年6月9日高级修(五级修)后首次上线时,2车1位轮径为801.1mm,在2015年10月27日进行第一次镟修,为恢复轮缘,将轮径值镟修至793.3mm;在2016年3月29日进行第二次镟修,轮径值镟修至791.5mm,但是由于轮径值过小,无法将轮缘恢复到经济镟修的标准;2016年4月4日因轮缘近限,且轮径过小无法镟修(轮径791.11mm,轮缘26.07mm),扣修换轮。到换轮时,动车组在高级修后走行491659kM,未到达一个三级修的周期的下限(55万公里)。轮径变化曲线如图3。
.png)
图1 2552动车组2车1位轮径值变化曲线
根据上述统计分析,10mm的磨耗余量难以保证高级修后动车组轮对的正常磨耗,如果将CRH380A(L)动车组在高级修时就将轮径余量控制在15mm,也就是保证将高级修修峻的动车组轮对轮径在控制在805mm以上,就可以基本保证动车组在正常运用状态下不因轮径到限发生换轮。而轮径值在800-805mm间的轮对,可在正常修峻后,应用于运用动车组的轮对更换,从而减少因轮径配台造成的大量镟修及浪费。
三、改进建议
1.提高轮径值
利用动车段自身优势加强轮径管理,由动车段检修的本段配属CRH380A(L)动车组已开始以805mm作为轮径控制标准。以CRH380A-2503动车组为例, 2015年3月9日高级修后首次上线时,7车平均轮径为809.15mm,在2015年7月12日进行第一次镟修,将7车平均轮径值镟修至804.41mm;在2015年11月18日进行第二次镟修,7车平均轮径值镟修至797.43mm;2015年12月14日入高级修前第一次检测,7车平均轮径值为796.82mm。本次高级修区间走行514997kM,7车轮径平均消耗12.325mm。轮径变化曲线如图4,轮径变化情况见表4。
.png)
根据上述统计分析情况,15mm的磨耗余量可以基本保证在运用中不因轮径轮缘到限发生换轮。今后仍将继续跟踪CRH380A(L)动车组轮径消耗问题,并根据统计分析的结果进一步优化轮径控制。
2.高级修建议
为保证CRH380A(L)动车组轮径值,一是段内需要严格将高级修车组的轮径值控制在805mm以上,并且扩大数据分析,长期跟踪趋势,以验证该轮径值能否保证一个运用周期;二是加强与四方股份协作,建议在四方股份存放1列份的备用轮对,在动车组入修前对更换车轮情况进行预测,由四方股份按照配台情况对轮径较小的轮对或车轮替换下车,替换下车的未到限轮对,可在维修后供动车段运用临修换轮使用。
3.镟修建议
目前动车段大量CRH380A(L)动车组轮对在运用中接近限度,轮对更换数量急剧上升,给段生产运营秩序造成极大影响。故提出CRH380A(L)动车组在轮径小于800mm且需要进行镟修时,在满足运规要求的基础上,镟修要求:
(1)镟修轮径值大于796mm,轮缘厚度大于26.5mm的轮对时,掌握将轮缘厚度提升0.2mm左右为宜,不应过多的消耗轮径值来恢复轮缘;
(2)镟修测量时若预计轮对镟修后轮径小于、等于796mm时,则将该轮对直径镟修至792mm左右,尽可能大的恢复轮缘厚度;若镟床计算镟后轮径值在789-791mm时,可以手动将轮径值提高2mm左右,保证对轮对轮径值的最大化利用。
(3)在车轮运行品质正常情况下,尽量按周期上限进行轮对镟修,对轮径值较低的轮对在镟修时尽量减少吃刀量,延长使用寿命。
参考文献:
[1] 王凌, 员华,那文波.《基于磨耗数据驱动模型的轮对镟修策略优化和剩余寿命预报》.系统工程理论与实践.2011.6
[2] 张祥杰,虞大联,宋晓文,孙高峰.《动车组轮对踏面磨耗实测分析》.铁道机车车辆.2014.2
[3] 董孝卿, 王悦明, 王林栋, 刘会英, 宋国良.《高速动车组车轮踏面镟修策略研究》.中国铁道科学.2013.1
[4] Johansson, A.,Nielsen, J. C.O..Out-of-round railway wheels-wheel-rail contact forces and track response derived from field tests and numerical simulations.IMechE Journal of Rail and Rapid Transit,2003,217 (F):135~146.
[5] Ling Li, Xinbiao Xiao, Xuesong Jin. Interaction of subway LIM vehicle with ballasted track in polygonal wheel wear development. Acta Mech Sin. 2011 Vol. 27 (2): 297-307