谢腾
紫金矿业集团紫金铜业有限公司 福建龙岩 364200
摘要:制氧空压机是铜冶炼企业中非常关键、重要的独生子设备,对它进行多方呵护是非常必要的,其高压电机软起的好坏对于制氧空压机的使用寿命影响很大,同时也会对企业的生产状况产生直接影响,本文通过引用紫金铜业有限公司16500KW制氧空压机高压电机软起装置故障,阐明现象、分析原因及处理办法。
关键词:大型装备、高压电机软起、晶闸管
引言:
当前,我国经济已经进入了一个新的发展阶段,大型企业和大型装备越来越多,大型电机的应用越来越多,大型电动机价格昂贵,在各行业的生产运行中起核心驱动作用,其起动装置的好坏将直接影响企业的生产状况,本文通过引用实际案例就高压电机软起装置故障,阐明现象、分析原因及处理办法。
一、现场情况的简要描述:
1、项目情况:
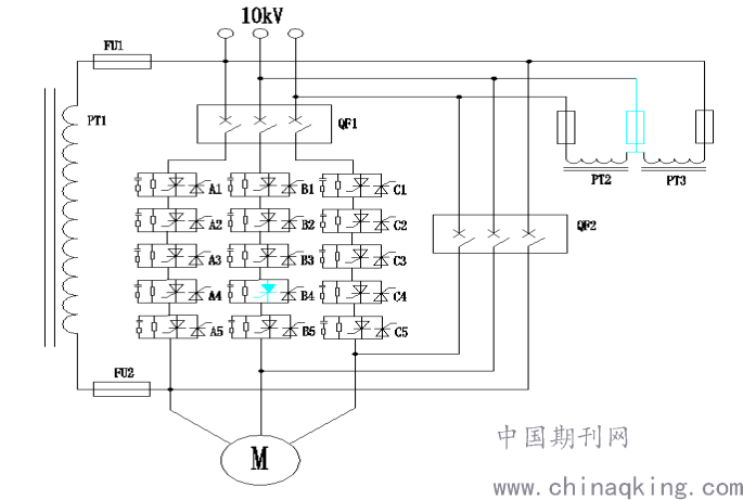
紫金铜业使用长沙奥拓自动化技术有限公司1套QB-H10/18000的中高压电动机固态软起动装置(带无功补偿装置)拖动1台上海电机厂生产的16500kW10Kv高压电机。此电机所带负载为1台CAMERON公司生产的空气压缩机。
2、问题过程描述:
2019年11月20日下午15时12分39秒制氧空压机在运行过程中出现DCS发命令使制氧机10kV电源进线922开关柜跳闸停机,但由于与软起装置并联运行的无功补偿装置没有及时分闸使得补偿电容器里的高压直流电通过放电线圈与软起装置同时放电,导致软起柜中零点采样用的电压互感器的熔断器损坏。更换此熔断器后上高压电进行第二次起动时,软起装置报B相晶闸管短路再次跳闸停机。经仔细检查发现B相从下往上数第二组开通电源正半波用的晶闸管阴阳极之间被击穿,其电阻值为0。如下图:(彩色为元件损坏部分)
二、问题分析:
(一)、零点采样用的电压互感器的熔断器损坏分析:
10kV电源进线柜跳闸停机时,与软起装置并联运行的无功补偿装置由于没有及时分闸使得补偿电容器里的高压直流电通过补偿柜里的放电线圈与软起装置同时放电。由上图可知,由于电压互感器PT1是挂在A相QF1的进线端与晶闸管的输出端,运行时跳闸后,QF1、QF2两台断路器是断开的,因此PT1没有形成电流回路,从而PT1的熔断器是不会损坏的。PT2、PT3形成了星型接法,有电流回路。对于直流电来说,电压互感器的高压侧线圈就如一根导线,阻抗很低,当高压直流电加在此线圈上必然会引起电压互感器熔断器(额定电流为1A)上出现瞬间大电流,而B相熔断器承受的电流是A、C相熔断器之和,从而首当其冲必然损坏,当B相熔断器损坏开路后A、C相熔断器的电流串联两台互感器的线圈,其通过的电流小了一倍,又加上补偿电容由于有放电线圈的存在,放电时间是很短的,其电流衰减的很快,此时通过A、C相熔断器上的电流已不足以达到损坏熔断器的程度。因此,就出现了只有B相零点采样电压互感器的熔断器损坏。
(二)、晶闸管损坏分析:
1、导致晶闸管损坏的条件:
晶闸管只有4个原因导致损坏:其一、断态和反向不重复峰值电压;其二、通态平均电流;其三、瞬间过电压,即dv/dt;其四、瞬间过电流,即di/dt。3900A/6500V的反向不重复峰值电压为6500V,通态平均电流为3940A,dv/dt为2000V/us,di/dt为250A/us。如下图:
2、出现晶闸管损坏工况的判断:
从现场实际工作情况来看,只有两种情况下会出现晶闸管的损坏:第一种,晶闸管是在头一次起动过程中损坏的;第二种,晶闸管是在运行过程中出现DCS发命令使10kV电源进线柜跳闸停机时,与软起装置并联运行的无功补偿装置由于没有及时分闸使得补偿电容器里的高压直流电通过补偿柜里的放电线圈与软起装置同时放电而损坏。
(1)、晶闸管是在头一次起动过程中损坏的分析:
从头一次起动的情况来看,起动过程是成功的,并且已旁路运行。起动过程中也没有出现异常情况。那么用排除法来进行分析:
①、瞬间过电流,即di/dt损坏晶闸管:
众所周知,电感是抑制电流跳变的,而电容是抑制电压跳变的,像16500kW这种大电机本身在起动过程中就是一个大电感,要达到250A/us级的di/dt是不可能的,因此di/dt损坏晶闸管的可能性也可排除(据长沙奥拓自动化技术有限公司反馈从事生产电动机软起产品20多年来,还没有出现过di/dt损坏晶闸管的情况)。
②、通态平均电流过大(即过流)损坏晶闸管:
从设计电流角度出发,晶闸管的额定电流为3940A,还加装了65kg左右的铝型材散热器,75秒之内1.5~2倍(1.5*3940=5910A,2*3900=7880A)的过载能力肯定没有问题,也就是说当电流在5910~7880A持续75S秒左右均没有问题。而实际的起动电流均<3000A,其峰值电流也只有3000*1.414=4242A,其起动时间也在60秒之内,因此,是不会因过流而烧晶闸管的。
③、断态和反向不重复峰值电压(即继续过压)过高损坏晶闸管:
高压软起动装置中每组晶闸管采用铝型材散热器将两只3900A/6500V的晶闸管反并联压装成形,5组晶闸管串联成一相,共3相组成一台高压软起动装置。从设计耐压角度出发,每相晶闸管的耐压为6500*5=32500V,而实际的10kV系统每一相的最高电压为(10000/1.732)*1.414=8164V。每相晶闸管的耐压是实际系统可能出现瞬时最高电压的3倍多。另外,此软起装置设计了晶闸管过压情况下的强触发保护系统,即当串联晶闸管回路里出现一只晶闸管先开通、先关断或者均压系统损坏的情况时,那么此只晶闸管必然会出现过压。当强触发保护系统检测到晶闸管两端的电压高于5000V时,快速将此只晶闸管全开通,那么该晶闸管就相当于一根导线,将电压全放过去,而不会导致该晶闸管因过压而损坏。因此,在起动的过程中也是不会因过压而损坏晶闸管的
④、dv/dt损坏晶闸管的分析:
出现晶闸管损坏的软起在起动电机的过程中是有dv/dt的,而晶闸管是很容易因dv/dt而损坏。最好的解决办法是加装RC吸收电路。但诸多该类型软起装置在现场的成功应用证明,在起动过程中出现晶闸管因dv/dt而损坏的概率是相当低的。
(2)、晶闸管是在运行过程中出现DCS发命令使10kV电源进线柜跳闸停机时,与软起装置并联运行的无功补偿装置由于没有及时分闸使得补偿电容器里的高压直流电通过补偿柜里的放电线圈与软起装置同时放电而损坏的情况分析:
从上图可知,补偿电容放电时通过PT1是能够进入晶闸管回路的。从表面上来看,因为10kV电源进线柜跳闸停机时QF1、QF2是断开的,又加上触发电路板与低压回路及地之间是完全层层隔离的,似乎并没有形成回路,此时损坏晶闸管更无从说起。但是,软起装置的RC吸收回路里的电容通过上一次起动是储存有电荷的,运行后又由于是与电机连通的,该电容里的电荷也无法完全泄放掉。到补偿电容对软起装置放电时(与高速运转的电机所产生的电势耦合后,其电压伏值是很高的),相当于高压直流电对带电导体放电,对于晶闸管的伤害是很大的。由于每只晶闸管不可能各个方面的性能完全一致,因此,承受能力差的必然导致过压击穿。
三、结论:
通过上述分析可知:
1、零点采样用的电压互感器的熔断器损坏是因补偿电容对软起装置放电而引起的。
2、导致该台软起装置里晶闸管损坏有两种可能:
第一 在起动的过程中,晶闸管因dv/dt过高而损坏(此种损坏的可能性极低,但也不能完全排除);
第二 在电机运行过程中,晶闸管因出现DCS发命令使10kV电源进线柜跳闸停机时,与软起装置并联运行的无功补偿装置由于没有及时分闸使得补偿电容器里的高压直流电通过补偿柜里的放电线圈与软起装置同时放电而导致过压损坏,通过现场运行情况看,从投产运行至今已成功起动很多次,唯独补偿电容放电后就出现了这仅有的一次损坏晶闸管的情况,比较有力的证明了晶闸管损坏的原因。
四、纠正及避免措施:
1、 更改电气控制回路,当电机在运行过程中出现异常跳闸时,将软起装置里的断路器和无功补偿装置里断路器与电源进线断路器同时分闸,杜绝电容对软起装置放电而导致损坏电压互感器熔断器与晶闸管的情况发生。
2、 原来PT1挂在QF1的进线端与晶闸管的输出端是考虑到PT1提前建立稳态而设计的,现在将PT1挂在QF1的出线端与晶闸管的输出端,起动时的前2~3秒中,程序改用电压斜坡起动。等到起动2~3秒后,再将此反馈进入控制。这样既使补偿电容对软起装置放电也进入不了晶闸管回路,又通过程序的改进保证PT1的反馈信号稳定后才进入控制。如下图,图中彩色部分为更改部分。
.png)
参考文献:
[1]360百科.高压软启动
[2]长沙奥拓 QB-H10/18000高压软起使用说明书