刘方刚
安徽合肥
安徽江淮汽车集团股份有限公司
新能源汽车技术安徽省技术创新中心 23000
摘要:本文基于LabVIEW图形化编程语言,设计了一套汽车电动助力转向系统自动测试系统,实现了电流信号和扭矩信号的采集。系统包括硬件和软件两大部分:硬件由传感器、调理电路、数据采集卡和计算机组成;软件部分的相关程序包括对采集信号进行分析处理和存储显示两大部分。通过对比验证,系统是稳定可靠的。
关键词:信号采集;电动助力转向;测试系统;LabVIEW
0 引言
电动助力转向系统(Electric Power Steering,缩写EPS)是一种直接依靠电机提供辅助扭矩的动力转向系统,该系统可以大大的节约燃料,有利于能源的节约和环境保护,是一项紧扣现代汽车产业发展主题的高新技术,自出现后受到高度重视。而且随着当代社会的发展,资源比较紧张,人们安全意识日益提高,所以为了保证电动转向系统的可靠新和稳定性,设计一种方便、快捷的EPS系统测试工具很有必要。
考虑到目前所采用的传统测试系统在便捷性、可靠性、可扩展性方面都具有一定的局限,本文基于LabVIEW虚拟仪器开发平台设计了一套汽车电动助力转向系统测试系统,很好的实现了电流信号和扭矩信号的采集及分析处理。
1 测试系统的硬件平台设计
本文设计的虚拟测试系统的硬件平台包括以下几个部分:传感器,信号调理设备,数据采集卡,计算机。
1.1电流和扭矩传感器
传感器是信号采集的第一个环节,也是决定测试系统性能的关键环节之一,所以要合理选取传感器。电流传感器用来测量流过助力电机的电流大小,是进行反馈控制的关键信号[1]。本系统选用KMC20电流传感器,内置永久磁铁,可以检测20A的电流。扭矩传感器的作用是测量转向盘与转向器之间的相对扭矩,以作为电动助力的依据之一[2]。本系统选用无触点式扭矩传感器,其体积小,精度高。
1.2 信号调理设备
从传感器得到的信号大多要经过调理才能进入数据采集设备,信号调理功能包括放大、隔离、滤波、激励、线性化等。本系统考虑到传感器产生的信号伴随一定的干扰,因此需要对传感器输出信号进行滤波处理。另外,还需要对测量信号进行放大处理,以满足采集卡模拟输入电压范围。本系统的信号调理设备集成在数据采集卡上。
1.3 数据采集卡
本系统选择了基于计算机总线的数据采集卡,目前市场上的产品以ISA总线和PCI总线系列功能数据采集卡为主。而ISA总线因其传输速度的限制逐渐被淘汰,PCI总线因其高性能等特点正广泛应用于计算机系统。本系统选用了NI公司的USB-6008,一款低价位多功能DAQ,具有8路模拟输入(12位,10ks/s),2路模拟输出,12路数字I/O,32位计数器。用户可以使用LabVIEW自带的NI-DAQmx测量软件进行自定义测量系统编程。NI公司为该采集卡提供了相应的驱动程序和NI函数,用户只需对驱动程序的源程序进行适当的修改,就可以满足系统硬件的需求。
2 测试系统的软件开发
2.1 软件结构总体设计
系统采用层次化的机构进行LabVIEW程序设计。程序可划分为3层:信号获取层、信号分析层和人机交互层。
信号获取层位于软件结构的最底层,与数据采集硬件最近,负责获取最原始的数字信号,便于软件进行分析处理。信号分析层位于软件结构的中间位置,它将对信号进行分析和处理,以获取信号的若干信息。人机交互层也可以称为控制管理层,它在软件结构中处于最上层,主要实现对数据采集、分析软件的参数设置、分析处理结果的图形管理以及数据存储管理和打印等功能[3]。
数据采集系统中的软件包括对采集到的信号进行分析处理、存储显示两大部分。测试系统软件流程图如图1所示:
.png)
图1 测试系统流程图
2.2 测试系统的程序编写及前面板设计
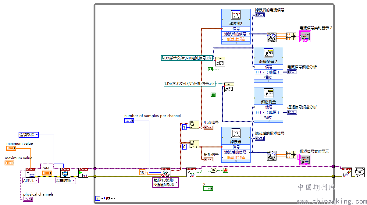
本系统是一个包含所有测试功能的面板,在这个面板上用户可以完成所有的测试功能。其系统框图如图2所示。前面板如图3所示。用户可以通过调节前面板的各个控制按钮,实现初始设置、数据采集、波形显示、信号分析、数据存储等操作。
.png)
图2
.png)
图3
3 系统的调试与抗干扰分析
3.1 系统调试
主要包括两部分:硬件电路调试和软件系统平台调试。硬件电路部分通过前置放大电路的调试与实验,对各个单元模块的调试实验,然后对整个测试系统进行联合调试实验。软件平台主要通过对模拟的扭矩和电流信号进行数字分析处理,来验证系统信号处理的正确性。
3.2 抗干扰分析
输入一个含有噪声干扰的正弦信号,未处理前的信号中含有很多高频噪声,通过本系统处理后其高频噪声被清除,达到了抗干扰的效果。
4 结论
本文结合传感器技术、计算机控制技术和虚拟仪器技术等,设计了汽车电动助力转向虚拟测试系统,该系统具有操作简便、快速、界面友好、运行可靠等优点,具有很大的理论研究和实际应用价值。另外,利用该测试系统可以有效提高汽车ABS产品开发的效率,降低成本,实用性很高。
[1] 李伟,张德明.汽车电动助力转向虚拟测试系统研究[J].计算机测量与控制,15(3):316~318
[2] 宋旸.汽车电动助力转向虚拟测试平台的研究[D].重庆:重庆交通大学,2009
[3] 曾荣.基于LabVIEW的旋转机械振动测试分析系统研究[D].武汉:武汉理工大学,2011