摘 要:叙述了传统二次控制回路与PLC控制的原理与方法的区别,并对实现PLC控制功能的外部接线和内部控制程序进行探讨。
关键词:断路器 二次电路 PLC 梯形图
目前,传统供电系统中,对高压断路器的监控、保护回路多采用传统的继电器开关量控制方式,存在着元件过多,接线繁琐,故障多且不易排出,运行维护工作量大,控制自动化程度低,可靠性差等诸多问题。而新型的以PLC为代表的产品,具有可靠性高,抗干扰能力强、编程简单、维护方便、适应环境好等等优点,利用PLC对断路器二次回路进行控制无疑是较好的选择。
1 断路器二次控制电路
1.1 断路器控制、保护和信号回路
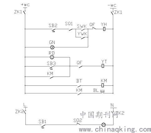
断路器控制、保护和信号回路电路接线如图1所示。QF为断路器,KM为中间继电器,WC为控制小母线,SB为按钮,RD为红色指示灯,GN为绿色指示灯,YH为合闸线圈,YT为跳闸线圈,SQ1、SQ2为储能位置开关,M为储能电机。
1.2 断路器控制、保护和信号回路基本要求
图1为采用弹簧操作机构的断路器控制、保护和信号回路,其控制的基本要求如下:
(1)储能电机储能完成且断路器在工作位或者试验位时,才能控制断路器合闸操作。
(2)当保护出口动作时,分闸线圈得电,启动跳闸操作机构切除故障负载。
1.3 控制电路工作原理
图1中,SQ1和SQ2是弹簧储能电机的位置开关,未储能时处于初始状态。
需要合闸操作时,须先进行弹簧储能:按下SB1按钮,储能电机M通电运转,使合闸弹簧储能,完毕后,SQ2常闭触点断开,SQ1常开触点闭合,为合闸作准备。
合闸时,按下SB2按钮,合闸线圈YH通过较大电流,操作机构使QF断路器合闸,其辅助触点使YH线圈失电,并使RD红灯点亮。
分闸时,按下SB3按钮,分闸线圈YT通过较大电流,操作机构使QF断路器分闸,其辅助触点使YT线圈失电,并使GN绿灯点亮。
当一次电路发生短路时,保护出口BT常开触点闭合,中间继电器线圈KM得电,其辅助触点KM闭合,也使YT通过较大电流而使QF断路器跳闸,随后QF断路器跳闸回路的辅助触点断开,RD灭,并使YT失电。中间继电器线圈辅助触点KM接通信号回路,报警语音信号发出跳闸报警信号,通知值班人员。
2 断路器操作PLC控制系统
断路器控制、保护和信号回路的PLC的I/O点分配如图2所示。PLC采用三菱FX2N-32MR型,共须用9个输入点,6个输出点。其中,SB1为储能按钮、SB2为合闸按钮、SB3为分闸按钮、SB为复位按钮、SQ为储能位开入、QF为断路器辅助触点、BT为继电保护出口、YWK为断路器工作位开入、SWK为断路器试验位开入对应9个输入点;YH为合闸线圈、YT为分闸线圈、M为储能电机、GN为分闸指示、RD为合闸指示、BL为语音报警对应6个输出点。上述的15个点对应的PLC外部接线见图二。
.png)
图2 PLC控制系统I/O外部接线图
根据其控制要求结合PLC外部接线图,可以使用三菱FX2N系列的步进式语句实现对其控制,
其PLC的控制梯形图,如图3所示。
.png)
图3 PLC控制梯形图
梯形图控制说明如下:S0为初始寄存器,S20-S26为步进寄存器,当S0置1后所有开出量全部置0,即没有输出,当S20至S26中的任一个寄存器置1后,就可以根据控制的需要输出相应状态的开出量。其控制流程如下:当需要合闸时,先要操作弹簧储能机构,按下SB1按钮,即X4=1使Y3、Y4=1,GN灯亮,储能电机M工作,使弹簧储能,为合闸做准备。储能到位后SQ常开触点闭合,GN灯亮。按下合闸按钮SB2,X1=1,使Y1、Y5=1,合闸线圈YH得电,操作机构使断路器QF合闸,合闸后QF的常开辅助触点闭合即X5=1,使Y5=1,RD红灯点亮。按下分闸按钮SB3,X7=1,使Y2、Y5=1,分闸线圈得电,操作机构时QF断路器分闸,分闸未完成,RD灯仍亮,分闸后GN灯点亮。当一次回路发生故障时,保护出口常开辅助触点闭合,X6=1,使Y2、Y6=1,跳闸线圈YR得电时QF断路器操作机构跳闸,且报警音响启动。值班人员通过按下复位按钮SB即X3=1,使事故信号解除。
3.结束语
PLC对高压断路器的控制、信号的采集与传统继电器相比有其不可比拟的优势,能够执行复杂的控制逻辑电路,且内部寄存器数量众多,外部接线简单,广泛用于现代工业各种数字控制领域用途中,近年来PLC以模拟量输入输出为代表的功能单元大量涌现能够使得控制更加智能,更加精确。此外,PLC强大的通讯功能可以通过基于工业控制标准的MODBUS TCPIP协议实现上位机远程控制,形成强大的工业控制系统,以上优点决定了其将是现代供电系统首选产品。