摘要:众所周知,全世界电网都采用交流方式进行供电,但是实际用电设备内部大多是直流电源,而且有不同电压。为了实现交流转换为直流以及转换为不同电压,需要复杂的转换电路,一方面需要大量变压器、电解电容等体积庞大成本高易损的器件,另一方面引入了EMC问题和功率因素低等附加问题,并且还有电源部分电路复杂、成本高、体积大、易损坏等一系列问题。如果在技术上能够实现交流电直接驱动用电器,那么电源电路将大大简化,进而可以将电源部分集成在一个芯片中,从而解决现有技术的问题。随着电源技术和功率半导体技术的发展,这个方向是完全可以实现的。
关键词:交流直驱,单芯片技术,电源变换,电压转换,电磁噪音,功率半导体工艺
一、电网标准发展之路
众所周知,爱迪生发明了灯泡,并且建立了直流供电的电网。但是直流供电只能近距离提供固定电压(那个时代还没有开关电源等),所以只能在使用者附近建发电厂。1888年,特斯拉建起了自己的实验室,并且实现了交流供电,因为可以简单可靠的通过变压器变压,所以很容易的实现了高压传输,解决了电力长距离传输问题,进而大规模的推广开来。
1893年,美国召开的世博会,只有特斯拉的交流供电技术满足了在园区里点亮几十万盏灯的要求,当美国总统按下按钮点亮了整个园区,人们发现这才是未来。同时也宣布了直流供电技术的死亡。
时至今日,世界各地都根据美国的标准,在广泛的应用交流方式进行电力传输,各种各样的电器也都使用交流电源,例如三相异步电机、变压器、交流接触器等。
二、交流供电应用情况以及原理分析
但是,随着时代发展,特别是近些年半导体技术的发展,实际用电设备内部绝大部分都是使用直流电进行工作。例如三相异步电机,早先年是没办法直接调速的,后来用变频器通过变频变压实现了这个功能,但是几乎所有变频器结构都是交流电先经过整流桥转化为直流,然后才给供内部逆变电路工作,进而驱动电机工作;同时,近些年兴起的LED照明,驱动器也是先将市电的交流220V转换为310V直流电,然后进行高频调制,通过高频变压器转换为低压交流电,然后再整流滤波成低压直流电点亮LED灯珠,这根源就在于LED只能用直流电工作。
由以上案例,我们可以发现一个问题:那就是为了远距离传输,电网不得不使用交流电,但是用电设备内部大多是直流电工作,所以必然经历了一个交流直流重复转换的过程,这也就是目前常见的AC>DC>AC>DC模式,可以看到有大量冗余重复的转换过程,这不仅造成电路复杂、体积大、高成本、高故障率等问题,同时也引入了EMC(电磁兼容,?Electro?Magnetic?Compatibility?)以及低PF (功率因素,Power Factor)等附加问题,为了解决这些问题,产品成本和故障率不得不更进一步提高。
特别是照明,到处可见,而且随着人们生活水平的提高,对照明的要求越来越高,再加上节能降耗等要求越来越急迫,所以目前照明大量采用LED照明。其具有能耗低、发光亮度强的优点,但是LED是一种直流驱动的发光元器件,并且需要十分精密的控制工作电流才能可靠稳定的工作,所以通常交流电是无法直接驱动的。
目前全时间的LED驱动器,都是先把交流电变为直流电,然后调制在60kHz-200kHz的高频上,经过变压器降压,然后再整流滤波变为直流电。对于电流的精密控制,都是通过改变高频调制信号占空比来改变输出电压进而控制电流,这样才能有可控的直流电流来驱动LED。因为其工作原理,需要大量电子元件,所以体积庞大对环境要求高,并且容易损坏;特别是高频调制时产生大量电磁噪音和热量,对环境造成很大污染,又需要增加很多滤波电路解决EMC等问题,这些进一步增加了驱动器的成本和体积,也更容易损坏。
三、交流电直接驱动技术原理分析和案例数据
笔者从事驱动器研究工作近20年,包括电机驱动器、开关电源、照明驱动器等。多年工作中一直在思考交流直接驱动用电设备的技术,目前已经拿到专利授权,这里将多年研究成果进行公开。以常见的LED驱动器为例,从原理到拓扑结构进行分析。
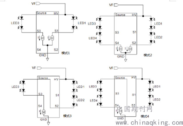
逻辑控制电路和电流控制电路参考下图。根据输入交流电瞬时电压不同值依次进行触发,按照一定逻辑关系改变LED灯串的拓扑结构,进而在一个足够短的时间对LED灯串供电。
.png)
工作原理说明:交流电在一每个周期内,电压VF按照正弦逐步变化,所以根据VF瞬时电压,逻辑控制电路相应切换模式1/2/3/4,串联不同数量的LED灯珠,在LED两端施加最合适的工作电压。在足够短的时间里,交流电可以近似的认为是直流,所以实现了LED短时间流过可控的直流电,进而实现了交流电直接驱动LED的目的。
.png)
三、交流直驱产业化进展
根据难易顺序,我们先进行了LED驱动器的交流直驱产业化,并且已经作为正式产品应用在道路、矿井、涵道等照明产品上。分析上述原理可以发现,驱动器和电源不再需要开关电源的振荡电路,也不需要变压器、电解电容等周边元器件,完全可以将以前复杂的电源电路和驱动器部分集成在一起,甚至一颗芯片里。事实也证明了这点,我们不仅量产了单芯片交流直驱产品,同时我们甚至实现了COB(板载芯片,Chip On Board) ,这些大大降低了成本,增强了产品竞争力。
这是实物照片和测试数据。对比现有驱动技术和驱动器,各项数据完美的超越,不仅仅省掉了大量短寿命元器件(例如内部封装有液体的电解电容),而且不再需要大体积的变压器以及周边元器件。因此,整个产品除了LED灯珠和行业标准要求的特殊元器件,只用一颗芯片完全解决,与此同时,EMC和三次谐波等问题几乎完全不需要再考虑,也大大降低了客户使用难度。下一步,我们会根据产品要求,进一步集成,真正实现COB产业化,从而进一步增强了产品竞争力。
五、结束语
交流供电,这个已经超过一百年的技术,已经广泛而深入的应用到世界各地,与此同时各种电器,特别是近些年的高性能、智能的电器,都需要复杂的电源部分来将交流电转换为内部使用的直流电。所以,能够实现交流电直接驱动用电设备将是一个划时代的技术,其市场前景广阔。
随着技术的发展,特别是近三十年功率半导体技术的发展,交流直驱的产业化指日可待,这也将大大改变行业现状,就像一百多年前特斯拉的交流供电技术战胜爱迪生的直流供电技术一样,改变世界和历史。
参考文献:
[1]王志功 沈永炒,集成电路设计基础,北京:电子工业出版社,2004
[2]陈贵灿 邵志标 程军 林长贵,CMOS集成电路设计,西安:西安交通大学出版社,2000
[3] Shepherd Peter, Integrated circuit design, fabrication and test, New York: McGraw-Hill, 1996
[4] 朱正涌,半导体集成电路,北京:清华大学出版社,2000
[5] Panda, “ASIC Design for the remote car control decoder Driver Control”, March 2006 IEEE
[6] R.Reis, “A new standard cell methodology”, IEEE custom Integrated Circuits Conference, Portland, USA, May 1987
[7] Atsushi Kurosawa and Mcnelly, “Automation of User-Specific ASIC Library Development” 91YH0379-8/91/0000-P14-7/1991 IEEE
[8] 廖裕评 陆瑞强,Tannery Pro 集成电路设计与布局实战指导,北京:科学出版社,2004