摘要:本文中作者对一台用于海上风电的油浸式多脉波整流变压器的设计进行了介绍。该变压器与常规多脉波整流变压器比,存在难度:阻抗偏差范围小、谐波分量大、运行环境恶劣等。通过软件分析,作者重点阐述了该变压器在多种情况下阻抗变化、阻抗满足以及实际试验数据;另外,对于该变压器运行的特殊环境和应对方法也作了简要介绍。
关键字:多脉波整流变压器;变压器阻抗;海上风电
1、引言
陆上风电经过十几年的迅猛开发,开发逐渐放慢,优质的风力资源逐渐减少;海上风电在未来二十年里将保持快速增长。与陆上风电比,海上风电的优点:1、风力大,风密度大,风力比较稳定;2、离负荷中心近;3、节约资源,节约土地。
早期的海上风电变压器大都采用干式变压器。随着风机容量的不断增长,干式变压器受盐雾、散热、受潮等局限,逐渐采用油浸式变压器替代。
目前,变频方式大都采用“交-直-交”方式;本文中的多脉波整流变压器是用于一种新型的变频方式“交-交”变频(概念试制阶段)。由于减少了直流环节,转换效率更高,设备投入更少,结构更加紧凑。但由于谐波含量高,对变压器的考核就更加严厉。
2、变压器的主要参数及要求:
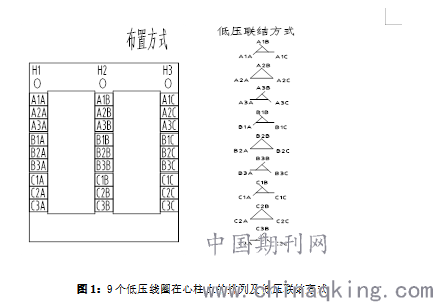
(1)容量:4.5/【(4.5/9)*9】MVA;
(2)电压比:高压35kV ;低压分成3组,电压均为0.63kV,相位角分别为10°、30°、50°,每组又分成3只线圈(详见下图1);
(3)调压方式:高压调压,范围0、+5%、+10%;
(4)频率:50Hz;
(5)联结组别:Yd10°d30°d50°;
(6)冷却方式:KNAN;
(7)性能指标要求:
空载损耗:满足效率≥98.5%
负载损耗:满足效率≥98.5%
(8)短路阻抗:1、3.2%±0.4% @4.5/9MVA;2、≤10%(@4.5MVA,所有低压运行);
(9)温升限值要求:绝缘等级为K级。油顶层:80K;绕组:100K;
(10)噪音限值要求:无要求;
(11)绝缘水平要求:
表1:绝缘水平
(12)使用环境的要求:
①安装在海上;
②运行温度:-20°C ~+50°C;储存温度:-20°C ~+60°C;
③海拔高度:低于2000米;
④安装位置:户外;
(13)变压器要求的结构布置:
如图1所示的布置方式:高压为H1、H2、H3分别为三相,对应的每相上各有9个低压线圈,组成9个三相的低压线圈;9个低压线圈在每柱上的排列及联接方式按照如图1所示。相位角10°、30°、50°依次交替放置。
.png)
图1:9个低压线圈在心柱上的排列及低压联结方式
A1A、B1A、C1A为10°低压绕组;A2A、B2A、C2A为30°低压绕组;A3A、B3A、C3A为50°低压绕组。
3、变压器设计难度:
该变压器的设计难点很多,主要介绍如下:
(1)变压器的短路阻抗偏差范围小。通常此类型的变压器,高压与各组低压之间的阻抗偏差达到3倍以上;此变压器高压与各组低压之间的阻抗允许偏差范围只有25%,给设计增加了很大的难度;
(2)谐波含量大。谐波引起的附加损耗相当于基波下1.4倍以上过负荷,因此,其真实容量远超过4500kVA;
(3)谐波在“△”接绕组中的环流引起的过热问题;
(4)防护等级高,按照C5-M最高等级处理;
(5)油浸式变压器有27个低压套管出线,低压套管的密封是个考验;
(6)绝缘等级为K级,变压器绝缘材料经济、合理选取也是一个难点。
4、变压器电压的满足:
(1)高压为常规“Y”形联接,电压35kV;
(2)低压电压:分成3组,每组电压0.63 kV,其中:
①相位角30°的为普通三角形;
②相位角10°、50°为延边三角,通过如下图得到各部分的电压;
③10°、50°低压相位角偏差0.034°;
图2:低压线圈向量、电压、电流值
.png)
5、变压器结构布置:
(1)铁芯采用三相三柱结构;
(2)高压线圈采用三只上下并联的多段层式线圈,放置在内侧;
图3:高压线圈连接图
(3)低压采用双饼式及连续式结构,放置在外侧;
(4)低压套管采用侧出线,高压采用顶出。
6、变压器阻抗及短路强度的满足:
每一柱上低压线圈有9个,相位角10°、50°的低压各有沿边及主绕组两部分组成,这两部分的安匝相差很大;由于主磁通横向分量在每柱高度方向的差异很大,因此,要使得9个低压线圈分别对于高压的阻抗在2 .8%~3.6%( @4.5/9MVA)范围之内,非常困难。以下是阻抗设计的几个阶段:
(1)高压线圈为一组,分成上下两段层式。根据模拟计算,无法满足上述阻抗范围的要求;
(2)将高压分为两组,上下并联,每组分成上下两段层式。通过模拟计算,只有在高、低压线圈高度排列非常精确的情况下,阻抗才能够勉强满足;一旦高、低压线圈高度有偏差,阻抗很容量超出要求的范围,要求制作精度非常高,存在很大的不确定性。如下图所示:
.png)
图4:高压分成两组,高、低压线圈在单柱铁心的排列
(3)将高压分为三组,每组分成上下两段层式。这时又分成了三个阶段:
第一阶段,延边与主绕组没有分开,高、低压的安匝平衡很差;由于相位角10°、50°的低压与30°的低压高度方向上的差异,阻抗偏差很大,但勉强可以满足;
第二阶段,如下图所示,延边绕组放在三个组的两头。由于延边绕组的安匝远大于主绕组,高、低压的安匝平衡也不是很好;阻抗能够基本满足协议要求;
.png)
图5:高压分成三组,高、低压线圈在单柱铁心的排列
第三阶段,如下图所示,主绕组放在三个组的两头。延边绕组的安匝远大于主绕组,高、低压的安匝平衡好;阻抗能够满足协议要求的范围;
图6:高压分成三组,高、低压线圈在单柱铁心的排列
(4)变压器的阻抗无法用通常的计算方法计算,只能通过软件来计算。以下是有限元软件分析的变压器磁场图(仅示三种状态):
图7高压与所有低压、与第9组低压、与第8组低压运行的三种漏磁场图
图7:三种漏磁场图
软件计算变压器的阻抗及对应容量,如下表:
.png)
表2:软件计算阻抗值
.png)
表3:半成品、成品、设计值与实测值数据
7、变压器其他性能的满足
(1)谐波:计算谐波引起的损耗,满足变压器效率的要求;合理设计导体的规格及热负荷,合理选用散热器的组数及规格,满足温升需要;
(2)变压器的防腐:
①采用耐腐蚀的材料;
②外部结构件的圆角处理,增加油漆的附着力;
③采用成熟的喷涂工艺、特殊的喷涂材料(如喷锌);
④外部附件要求满足C5-M的使用环境;
⑤模拟环境进行验证等。
(3)绝缘可靠性及绝缘材料的选取:
①主、纵绝缘的设计按GB标准规定的绝缘水平要求考核(比要求更严格),通过专业的电场分析软件进行校核;
②根据变压器不同位置的温升,合理选取适当的材料。
(4)低压套管密封问题:
①采用整块厚板攻丝的办法,使密封部位不变形;
②采用优质的密封垫;
③加大紧固件的预紧力,采用特殊的放松结构等。
(5)其它:
由于篇幅原因,变压器效率计算、谐波引起的附加损耗的计算、绝缘结构、绝缘材料(包括油)的选取等,这里从略。
8、结论:
除进行普通变压器的出厂试验外,还进行了以下特殊试验:局部放电试验、200Hz负载损耗测试、各低压绕组的温升试验、截波冲击试验、噪音试验,以上试验均一次性通过。
参考文献:
[1]谢毓城.电力变压器手册[M].北京:机械工业出版社,2003
[2]路长柏,朱英浩.电力变压器计算[M].黑龙江:黑龙江科学技术出版社,1990
[3]崔立君.特种变压器理论与设计[M].北京:科学技术文献出版社,1995
作者简介:
范国平 (1970-),男,江苏溧阳人,山东泰莱电气股份有限公司,长期从事35kV油浸式电力变压器的设计及开发工作。